- 电能的输送
- 共30题
13.如图所示,甲是远距离输电线路的示意图,乙是发电机输出电压随时间变化的图像,则
正确答案
解析
由图像知交流电的最大值及周期等物理量,输电线上的损失是由输电电压有关。
考查方向
解题思路
由图像知交流电的最大值及周期等物理量,再由变压器原理及输电线上的损失
与那些因素有关
易错点
变压器原理不清,交流电的规律不清,不会看交流电的图像。
知识点
15.如图所示,a图中变压器为理想变压器,其原线圈接在u=12

副线圈与阻值R1= 2Ω的电阻接成闭合电路,电流表为理想电流表。b图中阻值为R2=
32Ω,的电阻直接接到u=12

率相等,则
正确答案
解析
A.由交流电表达式可知


B. 由交流电表达式u=12







C.由欧姆定律得
D. 由交流电表达式可知


考查方向
解题思路
由交流电的表达式可得电流的频率,由两个电阻的功率相等可求出变压器副线圈两端的电压,由欧姆定律可求出流过电流表的电流值,由变压器电压与匝数的关系可得匝数比。
易错点
电流表的示数为交流电流的有效值,交流电电压最大值与有效值之间的关系。
知识点
6. 某小型水电站的电能输送示意图如图所示,发电机通过升压变压器T1和降压变压器T2向用户供电。已知输电线的总电阻为R=10Ω,降压变压器T2原、副线圈匝数之比为4∶1,降压变压器副线圈两端交变电压u=220
正确答案
解析
A、通过用电器的电流有效值


B、输电线上损耗的功率


C、当用电器的电阻R0增大时,降压变压器的输出电流减小,则输电线上的电流减小,升压变压器原线圈中的电流变小,根据
D、交流电经过变压器,频率不变,则交流电的频率
考查方向
解题思路
在输电的过程中,交流电的频率不变,结合降压变压器的输出电压和用电器的电阻,根据欧姆定律求出通过用电器的电流,结合输电线上的功率损失求出升压变压器的输入功率.
易错点
正弦式交流电有效值的求法,理想变压器输出功率决定输入功率的理解;
知识点
6.如图所示为远距离输电示意图,两变压器均为理想变压器。升压变压器T1的原、副线圈匝数之比为n1:n2=1 :10,在T1的原线圈两端接入一正弦交流电,输电线的总电阻为2Ω,降压变压器T2的原、副线圈匝数之比为n3 :n4=10 :1,若T2的“用电设备”两端的电压为U4=200V,且“用电设备”消耗的电功率为10 kW,不考虑其它因素的影响,则下列说法正确的是()
正确答案
解析
根据题意可知:输出电流








考查方向
解题思路
首先根据变压器的原理求出输出电压,然后根据负载功率计算输出电流,推到输入功率。
易错点
第一原线圈输入功率是随着负载变化,第二输电线上损耗的功率尽量用电流计算,电压计算要用消耗电压计算。
知识点
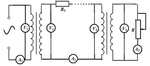
19.如图所示是发电厂通过升压变压器进行高压输电,接近用户端时再通过降压变压器降压给用户供电的示意图(图中变压器均可视为理想变压器,图中电表均为理想交流电表)。设发电厂输出的电压一定,两条输电线总电阻用R0表示,变阻器R相当于用户用电器的总电阻。当用电器增加时,相当于R变小,则当用电进入高峰时
正确答案
知识点
2. 如图所示,是远距离输电的示意图.若发电机线圈中产生的感应电势表达式为

正确答案
解析
解析已在路上飞奔,马上就到!
知识点
16.远距离输电线路的示意图如图所示,若发电机的输出电压不变,认为升压变压器和降压变压器都是理想的,输电线具有一定电阻,下列判断错误的是( )
正确答案
解析
解析已在路上飞奔,马上就到!
知识点
19.2013年4月20日在四川省雅安市芦山县发生7.0级地震、地震发生后,某公司向灾区捐赠一批柴油发电机.该柴油发电机说明书的部分内容如下表所示.现在用一台该型号的柴油发电机给灾民临时安置区供电,发电机到安置区的距离是400 m,输电线路中的火线和零线均为GBC260型单股铜导线,该型导线单位长度的电阻为2.5×10-4 
正确答案
解析
解析已在路上飞奔,马上就到!
知识点
13.利用电流的热效应可以清除高压输电线上的凌冰。若在正常供电时,高压输电电压为U,输电线上的热功率为△P;除冰时,输电线上的热功率需提高为9△P,设输电功率和输电线电阻不变.则除冰时输电电压应为( )
正确答案
解析
解析已在路上飞奔,马上就到!
知识点
13.为了解决农村电价居高不下的问题,有效地减轻农民负担,在我国广大农村普遍实施了“农网改造”工程,工程包括两项主要内容:(1)更新变电设备,提高输电电压;(2)更新电缆,减小输电线电阻.若某输电线路改造后输电电压变为原来的2倍,线路电阻变为原来的0.8倍,在输送的总功率不变的条件下,线路损耗功率将变为原来的( )
正确答案
解析
解析已在路上飞奔,马上就到!
知识点
扫码查看完整答案与解析















