- 电磁学
- 共4057题
19.变压器有很多种类,其中有一种称为可调变压器,它可以通过调节原副线圈的匝数来改变电压比。如图所示就是一种可以调节副线圈匝数的理想变压器,原线圈接有交流电源,当副线圈上的滑片P处于图示位置时,灯泡L能发光。则下面说法正确的是
正确答案
解析
向下滑P,副线圈匝数减小,原线圈匝数不变,电压减小,灯泡变暗,故A错误,同理B正确。C选项,增大交流电源的频率减小了容抗,通过电容器的电流更大,原线圈的电流也变大,电压不变,则输入功率增大,故C正确。减小电容器的电容,其容抗增大,电流减小,则灯泡变亮,D错误。
考查方向
解题思路
判断副线圈匝数对后面电路的电压影响,然后再考虑灯泡变亮还是频率的变化相当于改变的电容器的容抗,再通过原副线圈中电压、电流与匝数的关系判断输入功率。
易错点
对变压器中电压、电流的决定性模糊不清。
知识点
6.如图所示为远距离输电示意图,两变压器均为理想变压器。升压变压器T1的原、副线圈匝数之比为n1:n2=1 :10,在T1的原线圈两端接入一正弦交流电,输电线的总电阻为2Ω,降压变压器T2的原、副线圈匝数之比为n3 :n4=10 :1,若T2的“用电设备”两端的电压为U4=200V,且“用电设备”消耗的电功率为10 kW,不考虑其它因素的影响,则下列说法正确的是()
正确答案
解析
根据题意可知:输出电流








考查方向
解题思路
首先根据变压器的原理求出输出电压,然后根据负载功率计算输出电流,推到输入功率。
易错点
第一原线圈输入功率是随着负载变化,第二输电线上损耗的功率尽量用电流计算,电压计算要用消耗电压计算。
知识点
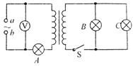
6.如图所示,a、b端输入恒定的交流电压。理想变压器原、副线圈分别接有额定电压均为12V、额定功率均为2W的灯泡A、B、C。闭合开关,灯泡均正常发光。则下列说法正确的是( )
正确答案
解析
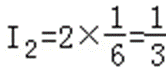
A、副线圈中每个灯泡电流:


B、副线圈电压为U2=12V,则原线圈电源U1=24V,则电压表示数为U=24+8=32V,故B错误;
C、副线圈功率P1=2PL=4W,则变压器的输入功率为4W,故C正确;
D、副线圈上再并联一个相同的灯泡D,则副线圈电流增大,则原线圈电流也增大,超过额定电流,A灯泡烧坏,故D正确.
故选:CD
考查方向
解题思路
由三只灯泡均正常发光,则可求得原副线圈的电流,求得匝数之比,由匝数比求电压关系,由功率公式可求得功率.
易错点
解题的突破口在原副线圈的电流关系,特别注意电源总电压与加在副线圈两端电压的关系
知识点
2.图(甲)是线圈P绕垂直于磁场的轴在匀强磁场中匀速转动时所产生的正弦式交变电压 的图象,把该电压加在如图(乙)所示的理想变压器的A、B端,已知电压表的示数为4.0V,图中的电压表和电流表均为理想电表,R=2Ω,其它电阻不计。下列说法中正确的是()
正确答案
解析
由图像可知,输入电压的有效值为10V,根据变压器原副线圈电压关系之比等于原副线圈匝数之比可知n1:n2=5:2;而电流之比等于匝数反比,副线圈电流为2A,所以原线圈电流为0.8A,A对D错;甲图中结合磁通量变化快慢等于电动势可知,电压最大时,磁通量变化最快,因此在t=0.2s、0.4s时,电压最小;此时是磁通量的变化率最小,此时穿过线圈的磁通量最大,所以B错误;
考查方向
解题思路
电表读数为交流电有效值,不能与瞬时值混淆,输出功率也是用有效值计算P=U2I2.电流表读数可根据公式电流与匝数成反比求得.
易错点
考查变压器原理;要注意明确:电表读数为交流电有效值,正弦交流电有效值等于最大值的
知识点
3.如图所示a、b间接入正弦交流电,理想变压器右侧部分为一火灾报警系统原理图,R2为热敏电阻,随着温度升高其电阻变小,所有电表均为理想电表,电流表A2为值班室的显示器,显示通过R1的电流,电压表V2显示加在报警器上的电压(报警器未画出),R3为一定值电阻。当R2所在处出现火情时,以下说法中正确的是( )
正确答案
解析
当传感器R2所在处出现火情时,R2的电阻减小,导致电路的总的电阻减小,所以电路中的总电流将会增加,A1测量的是原线圈中的总的电流,由于副线圈的电流增大了,所以原线圈的电流A1示数也要增加;由于电源的电压不变,原副线圈的电压也不变,所以V1的示数不变,由于副线圈中电流增大,R3的电压变大,所以V2的示数要减小,即R1的电压也要减小,所以V2的示数要减小,所以A2也应减小.
考查方向
解题思路
与闭合电路中的动态分析类似,可以根据R2的变化,确定出总电路的电阻的变化,进而可以确定总电路的电流的变化的情况,再根据电压不变,来分析其他的原件的电流和电压的变化的情况.
易错点
路的动态变化的分析,总的原则就是由部分电路的变化确定总电路的变化的情况,再确定其他的电路的变化的情况
知识点
5.如图所示,匀强磁场的磁感应强度大小为B。匝数为N、面积为S的矩形线圈绕垂直于磁场的轴

正确答案
解析
如图所示位置为从中性面计时开始已经转过90°,所以正弦交流电的表达式为




考查方向
解题思路
首先利用正弦交流电的标准表达式找到有效值,利用变压器的电压、电流关系,列式求解。
易错点
正弦交流电的有效值、最大值之间的关系;变压器负载功率与输入功率之间的关系
知识点
6.如图所示,a、b端输入恒定的交流电压。理想变压器原、副线圈分别接有额定电压均为12V、额定功率均为2W的灯泡A、B、C。闭合开关,灯泡均正常发光。则下列说法正确的是( )
正确答案
解析
A、副线圈中每个灯泡电流:


B、副线圈电压为U2=12V,则原线圈电源U1=24V,则电压表示数为U=24+8=32V,故B错误;
C、副线圈功率P1=2PL=4W,则变压器的输入功率为4W,故C正确;
D、副线圈上再并联一个相同的灯泡D,则副线圈电流增大,则原线圈电流也增大,超过额定电流,A灯泡烧坏,故D正确.
故选:CD
考查方向
解题思路
由三只灯泡均正常发光,则可求得原副线圈的电流,求得匝数之比,由匝数比求电压关系,由功率公式可求得功率.
易错点
解题的突破口在原副线圈的电流关系,特别注意电源总电压与加在副线圈两端电压的关系
知识点
16.一理想变压器的原、副线圈的匝数比为3:1,在原、副线圈的回路中分别接有阻值相同的电阻,原线圈一侧接在电压为220V的正弦交流电源上,如图所示。设副线圈回路中电阻两端的电压为
正确答案
解析
解析已在路上飞奔,马上就到!
知识点
扫码查看完整答案与解析













