- 电容器的动态分析
- 共55题
8.两个较大的平行板A、B相距为d,分别接在电压为U的电源正负极上,开关S闭合时质量为m,带电量为﹣q的油滴恰好静止在两板之间,如图所示,在保持其他条件不变的情况下,将两板非常缓慢地水平错开一些,以下说法正确的是( )
正确答案
解析
解析已在路上飞奔,马上就到!
知识点
9. 如图所示,平行板电容器已经充电,静电计的金属球与电容器的一个极板连接,外壳与另一个极板连接,静电计指针的偏转指示电容器两极板间的电势差。实验中保持极板上的电荷量Q不变。设电容器两极板正对面积为S,极板间的距离为d,静电计指针偏角为θ。下列关于实验现象的描述正确的是( )
正确答案
解析
根据平行板电容器电容的决定式


考查方向
本题主要考查了平行板电容器的定义式和决定式的综合应用。
易错点
(1)不知道静电计的指针偏角是表示两平行板间的电压。
(2)没有注意到本题中条件电容器电荷量不变。
(3)不会将电容定义式和决定式结合起来使用。
知识点
9.如图所示,A、B两块平行带电金属板,充电后始终与电源相连。A板带正电,B 板带负电并与地连接,有一带电微粒悬浮在两板间P点处静止不动。现将B板上移到虚线处,则下列说法中正确的是( )
正确答案
解析
解析已在路上飞奔,马上就到!
知识点
18.某电容式话筒的原理示意图如图所示,E为电源,R为电阻,薄片P和Q为两金属基板.对着话筒说话时,P振动而Q可视为不动.在P、Q间距减小过程中:
正确答案
解析
电容式话筒与电源串联,电压保持不变.在P、Q间距减小过程中,根据电容决定式

考查方向
电容器与电容
解题思路
在P、Q间距减小过程中,电容发生变化,而电容直接与电源相连,电容两端间的电压不变,从而可判断出电量的变化及电流的流向,再次可比较出电势的高低.
易错点
电容器的动态分析问题,抓住不变量,若电容始终与电源相连,两端间的电压不变;若电容器与电源断开,则电容器所带的电量不变.
知识点
6.如图所示为电容式加速度传感器的原理图。质量块右侧连接轻质弹簧,左侧连接电介质。弹簧与电容器固定在外框上,质量块可带动电介质移动改变电容,则()(全部选对的得6分,选对但不全的得3分,有选错的得0分。)
正确答案
解析
A、根据电容器的电容公式
B、当传感器以恒定加速度运动时,根据牛顿第二定律可知,弹力大小不变,则电容器的电容不变,因两极的电压不变,则电容器的电量不变,因此电路中没有电流,故B错误;
C、若传感器原来向右匀速运动,突然减速时,因惯性,则继续向右运动,从而压缩弹簧,故C错误;
D、当传感器由静止突然向右加速瞬间,质量块要向左运动,导致插入极板间电介质加深,因此电容会增大,由于电压不变,根据Q=CU,可知,极板间的电量增大,电容器处于充电状态,因此电路中有顺时针方向电流,故D正确;
故选:D.
考查方向
电容器的动态分析
解题思路
A、根据电容器的电容公式
B、由牛顿第二定律,确定弹力是否变化,再确定电容器是否处于充放电状态;
C、由惯性可知,弹簧处于什么状态;
D、先确定电介质向什么方向运动,再来确定电容器处于充电,还是放电,从而确定电路中的电流方向.
易错点
注意电容器是充电还放电,是确定电流的依据.
知识点
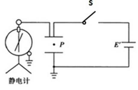
19. 如图所示,平行板电容器与电动势为E的直流电源(内阻不计)连接,下极板接地,静电计所带电量很少,可被忽略.一带负电油滴被固定于电容器中的P点,在开关S闭合的情况下,将平行板电容器的下极板竖直向下移动一小段距离后,则( )
正确答案
解析
A、根据
B、静电计测量的是电容器两端的电势差,因为电容器始终与电源相连,则电势差不变,所以静电计指针张角不变.故B错误.
C、电势差不变,d增大,则电场强度减小,P点与上极板的电势差减小,则P点的电势增大,因为该电荷为负电荷,则电势能减小.故C正确.
D、电容器与电源断开,则电荷量不变,d改变,根据
故选CD.
考查方向
电容器的动态分析
解题思路
电容器始终与电源相连,则电容器两端间的电势差不变,根据电容器d的变化判断电容的变化以及电场强度的变化,从而判断电荷电势能和电场力的变化.
易错点
电容器的动态分析问题,关键抓住不变量,当电容器与电源始终相连,则电势差不变,当电容器与电源断开,则电荷量不变.
知识点
19.如图1所示为一种电容式位移传感器的原理图,当被测物体在左右方向发生位移时,电介质板随之在电容器两极板之间移动。已知电容器的电容与电介质板进入电容器的长度x 之间的关系如图2所示,其中C0为电介质没有插入电容器时的电容。为判断被测物体是否发生微小移动,将该电容式位移传感器与电源、电流表、开关组成串联回路(图中未画出)。被测物体的初始位置如如图1 所示。电路闭合一段时间后,下列说法正确的是
正确答案
解析
A、根据电容器的决定式
B、电容具有隔直流,通交流的特点,所以若电源为交流电源,则交流电流表示数不为零,所以不能说明物体一定在发生移动,故B错误;
C、若电源为直流电源且直流电流表示数变大,但没有说明电流的方向,所以不能判断出物体一定在向右发生移动,故C错误;
D、若电源为交流电源且交流电流表示数变大,可能是电路中的电动势发生了变化,物体不一定在向右发生移动,故D错误;
考查方向
传感器在生产、生活中的应用;电容
解题思路
根据电容器的决定式
易错点
本题关键是找出影响电容器电容大小的因素,根据Q=CU公式,判断极板上电量的变化来判断出电容器是充电,还是放电,结合电容器通交流,隔直流的特点,最后判断出物体的可能运动情况.
知识点
14.一充电后的平行板电容器保持两极板的正对面积、间距和电压不变,现在两极板间插入一电介质,其电容C和极板的电荷量Q的变化情况是( )
正确答案
解析
由公式

故选:A
考查方向
电容器的动态分析.
解题思路
根据电容的决定式判断电容大小,根据定义式判断电压变化.
易错点
电容的定义式和决定式的配合应用.
知识点
21.如图所示电路中R1 为定值电阻、R2 为光敏电阻,电容器的两平行板水平放置。当开关S、S′闭合,并且无光照射光敏电阻R2时,一带电液滴恰好静止在电容器两板间的M点。当用强光照射R2时,阻值变小,则 ( )
正确答案
解析
解析已在路上飞奔,马上就到!
知识点

极板分别与电压为U的恒定电源两极连接,极板M
带正电。现有一质量为m的带电油滴在极板中央处
于静止状态,且此时极板带电荷量与油滴带电荷量
的比值为k,则( )
正确答案
解析
解析已在路上飞奔,马上就到!
知识点
扫码查看完整答案与解析










