- 电功、电功率
- 共109题
如图所示,竖直平面内有一半径为r、电阻为R1、粗细均匀的光滑半圆形金属环,在M、N处与距离为2r、电阻不计的平行光滑金属导轨ME、NF相接,EF之间接有电阻R2,已知R1=12R,R2=4R。在MN上方及CD下方有水平方向的匀强磁场I和II,磁感应强度大小均为B。现有质量为m、电阻不计的导体棒ab,从半圆环的最高点A处由静止下落,在下落过程中导体棒始终
17.求导体棒ab从A处下落
18.若导体棒ab进入磁场II后棒中电流大小始终不变,求磁场I和II这间的距离h和R2上的电功率P2;
19.若将磁场II的CD边界略微下移,导体棒ab进入磁场II时的速度大小为v3,要使其在外力F作用下做匀加速直线运动,加速度大小为a,求所加外力F随时间变化的关系式。
正确答案
(1)
解析
(1)以导体棒为研究对象,棒在磁场I中切割磁感线,棒中产生感应电动势,导体棒ab从A下落r/2时,导体棒在重力与安培力作用下做加速运动,由牛顿第二定律,得

式中
考查方向
解题思路
(1)导体棒受到重力和安培力的作用,注意此时导体棒的有效切割长度和外电路的串并联情况.
易错点
考查了关于电磁感应的复杂问题,对于这类问题一定要做好电流、安培力、运动情况、功能关系这四个方面的问题分析.
正确答案
解析
(2)当导体棒ab通过磁场II时,若安培力恰好等于重力,棒中电流大小始终不变,即
式中
解得
导体棒从MN到CD做加速度为g的匀加速直线运动,
有
此时导体棒重力的功率为
根据能量守恒定律,此时导体棒重力的功率全部转化为电路中的电功率,即

考查方向
解题思路
(2)导体棒ab进入磁场II后棒中电流大小始终不变,说明导体棒匀速运动,导体棒在下落h的过程中做匀变速直线运动,根据运动规律可求出下落距离h,根据并联电路可知R2上消耗的功率占整个电路的
易错点
考查了关于电磁感应的复杂问题,对于这类问题一定要做好电流、安培力、运动情况、功能关系这四个方面的问题分析.
正确答案
(3)
解析
(3)设导体棒ab进入磁场II后经过时间t的速度大小为
此时安培力大小为
由于导体棒ab做匀加速直线运动,
有
即:
由以上各式解得
考查方向
解题思路
(3)正确进行受力分析,注意安培力的表达式,然后根据牛顿第二定律求解即可
易错点
考查了关于电磁感应的复杂问题,对于这类问题一定要做好电流、安培力、运动情况、功能关系这四个方面的问题分析.
3.如图所示,a、b两个闭合正方形线圈用同样的导线制成,匝数均为10匝,边长la=3lb,图示区域内有垂直纸面向里的均强磁场,且磁感应强度随时间均匀增大,不考虑线圈之间的相互影响,则
正确答案
知识点
如图,两平行金属导轨位于同一水平面上,相距



16.电阻R消耗的功率;
17.水平外力的大小。
正确答案
解析
导体切割磁感线运动产生的电动势为
根据欧姆定律,闭合回路中的感应电流为
电阻R消耗的功率为
考查方向
解题思路
感应电动势计算电压,欧姆定律计算电流
易错点
数据的带入
正确答案
解析
对导体棒受力分析,受到向左的安培力和向左的摩擦力,向右的外力,三力平衡,故有

考查方向
解题思路
由安培力的计算和受力平衡分析计算
易错点
受力分析
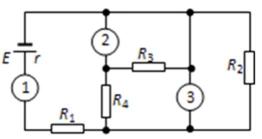
20.在如图所示的电路中,圈①、②、③处可以接小灯、电流表或电压表(均为理想电表)三种元器件,电源电动势E、内阻r均保持不变,定值电阻R1∶R2∶R3∶R4=4∶3∶2∶1,小灯电阻RL=R1,R1>r,电路中有电流通过,下列说法中正确的是( )
正确答案
解析
若要使电源输出功率最大,则应使外电路电阻与电源内阻相等,而本题中因为R1是串联在干路中,而且R1>r,电源输出功率会随着外电路电阻的增大而减小,所以,要想让电源输出功率最大,就是让外电路的总电阻尽量小,根据串联电路特点,①应接入电流表,再观察并联部分,并联电路总电阻小于任何一个支路的电阻,且任意支路的电阻变大都会引起整个电路电阻的增大,综上考虑,②位置应接入电压表,而③位置接入电压表,A选项正确,B选项错误;
闭合电路中电源的效率η = 

考查方向
解题思路
见解析。
易错点
当外电路电阻与电源内阻相等时,电源输出功率最大;外电路电阻越大,电源效率越高。
知识点
18.如图25甲为科技小组的同学们设计的一种静电除尘装置示意图,其主要结构有一长为L、宽为b、高为d的矩形通道,其前、后板使用绝缘材料,上、下板使用金属材料。图25乙是该主要结构的截面图,上、下两板与输出电压可调的高压直流电源(内电阻可忽略不计)相连。质量为m、电荷量大小为q的分布均匀的带负电的尘埃无初速度地进
(1)求在较短的一段时间Δt内,A、B两极板间加速电场
(2)若所有进入通道的尘埃都被收集,求通过高压直流电源的电流;
(3)请推导出收集效率η随电压直流电源输出电压U变化的函数关系式。
正确答案
(1)nbdΔtqU0
(2)nqbd
(3)η=



解析
试题分析:(1)设电荷经过极板B的速度大小为v0,
对于一个尘埃通过加速电场过程中,加速电场所做的功W0=qU0
在Δt时间内从加速电场出来的尘埃总体积是V=bdv0Δt,
其中的尘埃的总个数N总=nV=n(bdv0Δt),
故A、B两极板间的加速电场对尘埃所做的功W=N总qU0=n(bdv0Δt) qU0
对于一个尘埃通过加速电场过程,根据动能定理有
解得: W=N总qU0= nbdΔtqU0
(2)若所有进入矩形通道的尘埃都被收集,则Δt时间内碰到下极板的尘埃的总电荷量
ΔQ=N总q=nq(bdv0Δt)
通过高压直流电源的电流I=
解得:I= nqbd
(3)对某一尘埃,其在高压直流电源形成的电场中运动时,在垂直电场方向做速度为v0的匀速直线运动,在沿电场方向做初速度为0的匀加速直线运动。
根据运动学公式有:垂直电场方向位移x=v0t,沿电场方向位移y=
根据牛顿第二定律有:a=
距下板y处的尘埃恰好到达下板的右端边缘,则x=L,
解得:y=
若y<d,即



若y≥

考查方向
解题思路
在一小段时间内,我们先计算通过加速后的尘埃的个数,然后针对电场对
易错点
基本模型不清晰
知识点
20.汽车电动机启动时车灯会瞬时变暗,如图为汽车启动原理图,在打开车灯的情况下,电动机未启动时电流表读数为




正确答案
解析
解析:A选项,电动机启动时,外电压

B选项,当电动机未启动时,



C选项,电动机的总功率
D选项,机械功率
考查方向
1、考查非纯电阻电路的电压、电流关系点及功率的计算;
2、考查电动机总功率、热功率与输出功率的关系;
解题思路
1、根据外电压、内电压与电源电动势的关系
2、根据并联分流原理
3、根据电动机总功率的公式
4、根据电动机输出功率,热功率与总功率的关系
易错点
1、容易错误的将欧姆定律应用于非纯电阻电路;
2、对电动机输出功率、热功率与总功率的关系模糊不清。
知识点
如图所示,宽L=2m、足够长的金属导轨MN和M′N′放在倾角为θ=30°的斜面上,在N和N′之间连接一个R=2.0Ω的定值电阻,在AA′处放置一根与导轨垂直、质量m=0.8kg、电阻r=2.0Ω的金属杆,杆和导轨间的动摩擦因数μ=
16.中,通过电阻R的电量q;
17.OO′时的速度大小;
18.杆在OO′时,轻绳的拉力大小;
19.上述过程中,若拉力对杆所做的功为13J,求电阻R上的平均电功率。
正确答案
(1)
解析
由法拉第电磁感应定律可知,平均感应电动势为:

代入数据,可得:
考查方向
法拉第电磁感应定律;电量;
解题思路
由法拉第电磁感应定律求出感应电动势、由欧姆定律求出电流、由电流定义式的变形公式求出电荷量.
易错点
关键根据电量公式结合法拉第电磁感应定律解答.
教师点评
本题考查了法拉第电磁感应定律;电量,在近几年的各省高考题出现的频率较高,常与闭合电路欧姆定律等知识点交汇命题.
正确答案
3m/s (4分)
解析
根据题意由几何关系:

杆的速度等于小车速度沿绳方向的分量,由运动合成与分解的知识得:
考查方向
运动的合成和分解
解题思路
根据题意由几何关系求出当杆滑到OO'时轻绳与水平方向的夹角,根据速度合成与分解的知识解答.
易错点
关键是求出当杆滑到OO'时轻绳与水平方向的夹角.
教师点评
本题考查了运动的合成和分解,在近几年的各省高考题出现的频率较高,常与牛顿第二定律、动能定理等知识点交汇命题.
正确答案
12.56N(4分)
解析
杆在OO′时,杆受的摩擦力
杆受的安培力

根据牛顿第二定律:
解得:
考查方向
牛顿第二定律
解题思路
杆在OO′时,对杆进行受力分析,根据牛顿第二定律解答.
易错点
关键是正确对杆进行受力分析,依牛顿第二定律列式.
教师点评
本题考查了牛顿第二定律,在近几年的各省高考题出现的频率较高,常与匀变速直线运动规律的综合运用等知识点交汇命题.
正确答案
2.0W (6分)
解析
根据动能定理:
解出
那么,R上的电热
此过程所用的时间
R上的平均电功率
考查方向
功能关系;功率;
解题思路
根据能量转化关系求出电路上产生的总热量,根据电路连接进而求出电阻上产生的热量,根据功率公式求出电阻上的平均功率.
易错点
关键是求出总热量后根据串并联电路关系得出电阻R上的热量.
教师点评
本题考查了功能关系、功率,在近几年的各省高考题出现的频率较高,常与动能定理等知识点交汇命题.
6.把纯电阻A“10V,2.0W”接到某一电动势和内阻不变的电源上,电阻A实际消耗的功率是
2.0W;换上另一个“10V,5.0W”的纯电阻B接到这一电源上,若电阻B实际消耗的功率要
小于2.0W,则该电源的电动势和内阻应满足的条件是(设电阻不随温度改变)
正确答案
解析
设电源电动势为E,内电阻r,

可解得:

考查方向
电功、电功率;闭合电路的欧姆定律
解题思路
根据功率公式求出两个灯泡的电阻,列出两个灯泡实际功率的表达式,代入数据计算可解得电源内阻和电动势的取值范围.
易错点
关键根据闭合电路欧姆定律及功率表达式联立解答.
知识点
16.电阻非线性变化的滑动变阻器R2接入图甲的电路中,移动滑动变阻器触头改变接入电路中的长度x(x为图中a与触头之间的距离),定值电阻R1两端的电压U1与x间的关系如图乙,a、b、c为滑动变阻器上等间距的三个点,在触头从a移到b和从b移到c的这两过程中,下列说法正确的是( )
正确答案
解析
A、根据欧姆定律得到电阻R1两端的电压U1=IR1,由图出,电压U1变化相等,R1一定,则知电流的变化相等,即得电流表示数变化相等.故A错误;
B、电压表V2的示数U2=E-Ir,电流I的变化相等,E、r一定,则△U2相等.故B正确;
C、电阻R1的功率P1=I2R1,其功率的变化量为△P1=2IR1•△I,由上知△I相等,而I减小,则知,从a移到b功率变化量较大.故C错误;
D、由图2知,U1减小,电路中电流减小,总电阻增大,由于外电路总与电源内阻的关系未知,无法确定电源的输出功率如何变化.故D错误.
故选:B.
考查方向
闭合电路的欧姆定律
解题思路
对于电阻R1,根据欧姆定律得到U1=IR1,电阻R1一定,由图象读出电压变化关系,分析电流变化关系.电压表V2的示数U2=E-Ir,根据电流变化关系,分析V2的示数变化关系.根据电阻R1的功率P1=I2R1分析R1的功率变化关系;由图读出电压的变化,分析电流的变化情况,根据外电阻与电源内阻的关系,分析电源输出功率如何变化.
易错点
分析电路图,得出滑动变阻器和定值电阻串联,利用好串联电路的特点和欧姆定律是基础,关键要利用好从U1-x图象得出的信息.
知识点
22.某兴趣小组为测一遥控电动小车的额定功率,进行了如下操作:
①用天平测出电动小车的质量为0.4kg;
②将电动小车、纸带和打点计时器按如图甲所示安装;
③接通打点计时器,其打点时间间隔为0.02s;
④使电动小车以额定功率加速运动,达到最大速度一段时间后关闭小车电源,待小车静 止时再关闭打点计时器(设小车在整个过程中所受的阻力恒定)。
在上述过程中,打点计时器在后半段纸带上所打的部分点迹如图乙所示。
请分析纸带数据,回答下列问题:(结果保留两位有效数字)

(2)关闭电源后该电动小车的加速度大小为______m/s2;
(3)该电动小车的额定功率为______W。
正确答案
(1)1.5(2)4.0 (3)2.4
解析
解析已在路上飞奔,马上就到!
知识点
扫码查看完整答案与解析





















































