- 法拉第电磁感应定律
- 共387题
在很多情况下,我们对物理规律的理解和认识是通过观察和比较物理现象来进行。在下列的观察及根据观察所得出的响应结论中正确的是
正确答案
解析
略
知识点
空间中存在着竖直方向的磁场,一圆形金属框水平放在磁场中,规定磁感应强度方向和线圈中感应电流方向如图甲所示时为正。某时刻开始计时线圈中产生了如图乙所示的感应电流,则磁感应强度随时间变化的图线可能是
正确答案
解析
略。
知识点
如图所示,光滑足够长导轨倾斜放置,导轨间距为L=1m,导轨平面与水平面夹角为θ=30o,其下端连接一个灯泡,灯泡电阻为R=2Ω,导体棒ab垂直于导轨放置,除灯泡外其它电阻不计。两导轨间的匀强磁场的磁感应强度为B=0.5T,方向垂直于导轨所在平面向上。将导体棒从静止释放,在导体棒的速度v达到2m/s的过程中通过灯泡的电量q=2C。随着导体棒的下滑,其位移x随时间t的变化关系趋近于x=4t-2(m)。取g=10m/s2,求:
(1)导体棒的质量m;
(2)当导体棒速度为v=2m/s时,灯泡产生的热量Q;
(3)辨析题:为了提高ab棒下滑过程中小灯泡的最大功率,试通过计算提出两条可行的措施。
某同学解答如下:小灯泡的最大功率为
由此所得结果是否正确?若正确,请写出其他两条可行的措施;若不正确,请说明理由并给出正确的解答。
正确答案
(1)根据x=4t-2(m)得,最后匀速运动的速度为vm=4m/s
匀速运动时,F安=mgsin300 B2L2vm/R= mgsin300
解得m=0.1kg(2分)
(2)通过灯泡的电量q=It=

解得 s=8m
由动能定理得
mgssin300-W安=mv2/2
灯泡产生的热量Q= W安= mgssin300- mv2/2=3.8J
(3)不正确,式中vm,根据安培力等于重力的下滑力,可以求出它与B的平方成反比,所以增大B的同时,最大速度在减小,并不能提高小灯泡的最大功率。
因为P=I2R,所以提高ab棒下滑过程中小灯泡的最大功率,须增大电流I或电阻R
匀速运动时,F安=BIL=mgsinθ I= mgsinθ/BL,
所以可以减小B、L,或增大m、R、θ。
解析
略
知识点
如图甲所示,足够长的平行金属导轨MN、PQ倾斜放置.完全相同的两金属棒ab、cd分别垂直导轨放置,棒两端都与导轨始终有良好接触,已知两棒的电阻均为R,导轨间距为l且光滑,电阻不计,整个装置处在方向垂直于导轨平面向上,大小为B的匀强磁场中.棒ab在平行于导轨向上的力F作用下,沿导轨向上运动,从某时刻开始计时,两棒的速度时间图象如图乙所示,两图线平行,v0已知.则从计时开始
正确答案
解析
略。
知识点
如图所示,一个矩形金属框MNPQ置于光滑的水平面xOy内,一磁场方向垂直于金属框平面,磁感应强度B沿x轴方向按图所示的曲线规律分布,关于x0对称,平行于x轴的线框边NP的长为d(d与x0的大小关系未定)。现给金属框一个大小为v0的初速度,让线框边MN从原点0开始沿x轴正方向滑动,则
正确答案
解析
略
知识点
如图甲所示,在坐标系xOy中,有边长为L的正方形金属线框abcd,其对角线ac和y轴重合,顶点a位于坐标原点O处。在y轴右侧的第I象限内有一等腰直角三角形区域,直角边边长为L,底边的左端位于坐标原点O处,内有垂直纸面向里的匀强磁场。t=0时刻,线圈从图示位置沿cb方向,匀速穿过磁场区域。取a



正确答案
解析
略
知识点
如图甲所示,光滑平行金属导轨MN、PQ所在平面与水平面成θ角,M、P两端接一阻值为R的定值电阻,阻值为r的金属棒ab垂直导轨放置,其他部分电阻不计。整个装置处在磁感应强度为B的匀强磁场中,磁场方向垂直导轨平面向上。t=0时对棒施一平行于导轨的外力F,棒由静止开始沿导轨向上运动,通过R的感应电流随时间t变化的关系如图乙所示。下列关于穿过回路abPMa的磁通量Φ和磁通量的瞬时变化率以及ab两端的电势差Uab和通过棒的电荷量q随时间变化的图象中,正确的是
正确答案
解析
略
知识点
用两根足够长的粗糙金属条折成“┌”型导轨,右端水平,左端竖直,与导轨等宽的粗糙金属细杆ab、cd与导轨垂直且接触良好。已知ab、cd杆的质量、电阻值均相等,导轨电阻不计,整个装置处于竖直向上的匀强磁场中。当ab杆在水平向右的拉力F作用下沿导轨向右匀速运动时,cd杆沿轨道向下运动,以下说法正确的是( )
正确答案
解析
略
知识点
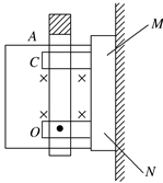
如图所示为一种自动跳闸的闸刀开关示意图,O是转动轴,A是绝缘手柄,C是闸刀卡口,M、N 接电线,闸刀处于垂直纸面向里、B=1 T的匀强磁场中,CO间距离10 cm。当磁场力为0.2 N时,闸刀开关会自动跳开。则要使闸刀开关能跳开,CO中通过的电流的大小和方向为( )
正确答案
解析
略
知识点
如图所示,两根竖直固定的足够长的金属导轨cd和ef相距L=0.2m,另外两根水平金属杆MN和PQ的质量均为m=10-2kg,可沿导轨无摩擦地滑动,MN杆和PQ杆的电阻均为R=0.2
(1)MN杆的最大速度
(2)当MN杆加速度达到a=2m/s2时,PQ杆对地面的压力为多大?
(3)MN杆由静止到最大速度这段时间内通过MN杆的电量为多少?
正确答案
(1)
(2)FN=2 ×10-2 N
(3)q=0.05C
解析
(1)最大速度时PQ杆受力平衡BIL = mg
由闭合电路欧姆定律得E = I·2R
MN杆切割磁感线E = BL
最大速度为
(2)对MN杆应用牛顿第二定律得
F — mg — B I1L =
PQ杆受力平衡 FN + BI1L = mg
得FN = 2 ×10-2 N
(3)位移x内回路中产生的平均电动势

电流
通过MN杆的电量为
得
知识点
扫码查看完整答案与解析




























