- 化学反应速率与化学平衡图象的综合应用
- 共80题
1
题型:
单选题
|
14. 下列各表述与示意图一致的是()
正确答案
D
解析
解析已在路上飞奔,马上就到!
知识点
化学反应速率与化学平衡图象的综合应用
1
题型:
单选题
|
12.为了探索外界条件对反应
正确答案
C
解析
解析已在路上飞奔,马上就到!
知识点
化学反应速率与化学平衡图象的综合应用
1
题型:
单选题
|
12.一定温度下,往a.b两容器中各注人1 mol三氧化硫,a.b两 容器起始体积和压强均相同,分别保持恒容和恒压,发生以下反应: 
正确答案
B
解析
解析已在路上飞奔,马上就到!
知识点
化学反应速率与化学平衡图象的综合应用
1
题型:
单选题
|
12. 与下列图像有关的说法正确的是( )
正确答案
D
解析
解析已在路上飞奔,马上就到!
知识点
化学反应速率与化学平衡图象的综合应用
1
题型:
单选题
|
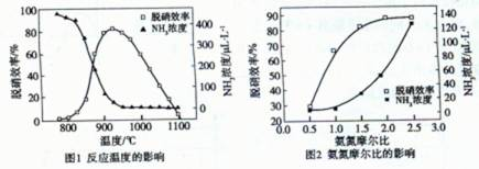
12.使用SNCR脱硝技术的原理是
正确答案
C
解析
解析已在路上飞奔,马上就到!
知识点
化学反应速率与化学平衡图象的综合应用
下一知识点 : 化学平衡的计算
扫码查看完整答案与解析



















