下列关于信息安全的说法,不正确的是( )
正确答案
下列关于网页和浏览器的说法,正确的是( )
正确答案
小明开发“在线学习系统”,为学生提供在线选课和学习服务。使用Access'软件设计该系统的数据库,部分界面如图所示。
下列说法正确的是( )
正确答案
下列关于信息编码的说法,正确的是( )
正确答案
使用GoldWave软件录制并编辑某音频文件,部分界面如图所示。
下列关于该音频的说法,正确的是( )
正确答案
一个时长为80秒,2048×1080像素,24位色、25帧/秒的未经压缩的AVI格式无声视频文件,其存储容量约为( )
正确答案
下列VB表达式中,值最大的是( )
正确答案
某算法的部分流程图如图所示,若输入n的值为17879,则输出s的值是( )
正确答案
某排序算法的VB程序段如下:
'读取n个整数,依次存入a(1)到a(n)中,代码略
Fori=1 To n - 1
For j=n To i+ 1Step -l
If a(j)>a(j-1)Then t=a(j):a(j)=a(j-1):a(j-1)=t
Next j
Next i
执行上述程序段,下列说法正确的是( )
正确答案
数组元素a(1)到a(n*2)为互不相等的正整数(n≥1),要在其中找到最大值和次大值,并分别存储到变量m1和m2中。实现该功能的VB程序段如下:
m1=0:m2=0
For i=1 To n * 2 Step 2
Ifa(i)>a(i+1)Then
t1=a(i):t2=a(i+1)
Else
t1=a(i+1):t2=a(i)
EndIf
If (1) Then
m1=t1:m2=t2
ElseIf (2) Then
m2=m1:m1=t1
ElseIf (3) Then
m2=t1
End If
Next i
上述程序段中方框处可选代码为:①t1>m1 ②t1>m2 ③t2>m1
则(1)(2)(3)处代码依次为( )
正确答案
有如下VB程序段:
k=3:sum=0:j=0:c=0
For i=1 To Len(s)、
ch=Mid(s,i,1)
If ch>= ''0''And ch<= ''9'' Then
c=c * 10+Val(ch)
j=j+1
Else
If j=k Then sum=sum+c
j=0:c=0
End If
Next i
字符串s为''ab300cde2022fg002h'' 时,执行该程序段后,sum的值为( )
正确答案
有如下VB程序段:
n=6
For i=1 To n\2
flag=True:t=a(i+1)-a(1)
j=i+2
Do While j<=n And flag
If a(j)-a(j-i)=t Then j=j+1 Else flag=False
Loop
If j>n Then Exit For 'ExitFor表示退出循环
Next i
整型数组元素a(1)到a(6)的值依次为“3,x,11,14,19,22”执行该程序段后,变量3的值为2,则x的值为( )
正确答案
如图所示的手持式吸尘器,集尘仓透明,配有多种长度和形状的吸尘头,适用于不同场合,手柄顶部的LED屏可显示电量、挡位等。下列关于该吸尘器的评价中,不正确的是( )
正确答案
如图所示的一款智能手电钻,应用了激光测量、数字调平、数字水准等技术。触摸屏上可显示钻孔的角度、设定钻孔深度,当钻孔达到设定深度时手电钻自动停止。下列关于该手电钻的说法中,不正确的是( )
正确答案
小明在通用技术实践课中设计了一把如图所示的平日手钳。钳把之间铰连接,钳口与钳把通过销轴相连,四个销轴孔到铰连接孔的距离相等,当松开与夹紧钳把时钳口平行开合。下列四种钳口结构方案中,合理的是( )
正确答案
如图所示的图样中,存在的错误共有( )
正确答案
下列钳工操作中,不规范的是( )
正确答案
如图所示的滑轮装置,滑轮在力F和Q的作用下处于平衡状态。下列对支架和销轴主要受力形式的分析中,正确的是( )
正确答案
如图所示是木屑等物料的干燥工艺流程图。鼓风机将燃烧室产生的热空气送人干燥机干燥湿物料,物料收集器将干物料与热尾气分离,并除去热尾气中的水分。热尾气一部分循环利用,剩余部分经环保设备处理后排放。下列关于该流程的说法中,不合理的是( )
正确答案
如图所示是纸箱输送系统的示意图。电机驱动输送带将纸箱送到输送辊道,纸箱,自由下滑至装载平台。光电传感器检测光线是否被遮挡,当光线被遮挡时间超过设定值时,表明纸箱在输送辊道上拥堵,控制器控制电机停止转动;当光电传感器重新检测到光线时,控制器控制电机重新启动。请根据图及其描述完成第8-9题。
下列关于该纸箱输送系统的说法中,不正确的是( )
正确答案
下列关于输送带控制子系统的分析中,不正确的是( )
正确答案
下列电子元器件的名称中,正确的是( )
正确答案
小明搭建了如图所示的光控电路,断开S后,用指针式多用电表的合适挡位测量相关点位间的电阻值,来判断元器件的好坏。考虑周围电路对测量结果的影响,下列判断中,正确的是( )
正确答案
如图所示是光线监测报警电路。光线正常时不报警,光线过暗时V1发光,蜂鸣器发声,光线过强时V2发光、蜂鸣器发声。下列分析中,不正确的是( )
正确答案
如图所示的控制电路,当温度低于下限时继电器J吸合,加热器开始加热;温度高于上限时继电器J释放,加热器停止加热;Rt短路或断路时,加热器均不加热。下列分析中,不正确的是( )
正确答案
收集某校高二(7)班2022年4月校园消费数据,并使用Excel软件进行处理,如第13题图a所示。
请回答下列问题:
(1)区域G4:I42的数据是通过公式计算得到的,在G4单元格中输入公式________,然后使用自动填充功能完成区域C4:I42的计算。(提示:各项消费占比是指该学生相应项目的消费金额占该学生三项消费总金额的百分比)
(2)为直观反映该月高二(7)班校园各项消费的占比情况,根据图a中的数据制作的图表如第13题图b所示。创建该图表的数据区域为D3:F3,_______。
(3)对图a中的数据进行分析,下列说法正确的有______(多选,填字母)。
正确答案
(1)
有m个人结伴旅行(m≤9,每个人用整数1~m编号)。期间既有全员参与的集体活动,也有自主参与的小团队活动。每项活动的消费由参与人平均分摊,其中一人先行垫付并记录。记录内容包括该项活动的人均消费金额(整数,单位:元)参与人。每项活动的参与人用字符串表示,垫付人排在第1位。如“25134”表示2、5、1、3、4号参与该项活动,其中2号是垫付人。旅行结束后依据所有活动的消费记录进行结算:
1)计算每个人的应还款(应还款=应分摊的总金额-先行垫付的总金额);
2)根据所有人的应还款数据计算转账明细(应还款为正的人转给应还款为负的人)。根据上述要求编写VB程序,功能如下:运行程序,读取消费记录数据并在列表框List 1中显示。单击“结算”按钮Command 1,在列表框List 2中显示每个人的应还款,在列表框List 3中显示转账明细。程序运行界面如第15题图所示。
(1)结合程序与界面可知,AddItem是List 2的_______(单选,填字母:A.方法名/B.事件名/C.属性名)。
(2)实现上述功能的部分VB程序如下,请在划线处填入合适的代码。
(3)程序中加框处代码有错,请改正。
Const n=9,m=15
Dim x(1 To n)As Integer 'x(i)存储第i项消费记录的人均消费金额
Dim a(1 To n)As String 'a(i)存储第i项消费记录的参与人
Private Sub Form_Load()
′读取所有消费记录,存入数组x和a中,并显示在列表框List 1中
′代码略
End Sub
Private Sub Commandl_Click()
Dim i As Integer,j As Integer,k As Integer,p As Integer
Dim c As Integer,w As Integer,v As Integer
Dim b(1 To n),As Integer '保存应还款数据
For i= 1 To m
b(i)=0
Next i
For i=1 To n '根据消费记录计算应还款ni
k=Len(a(i))
p=Val(Mid(a(i),1,1))
b(p)=b(p)-(k–1)*x(i)
For j=2 To k
p=Val(Mid(a(i),j,1))
①
Next j
Next i
c=0
Fori=1 To m
List 2. AddItemStr(i)+“号”+Str(b(i))
If b(i)>0 Then c=c+1
Nexti
i=1:j=10 '根据应还款数据计算转账明细
DoWhile ②
Do While b(i)<=0
i=i+1
Loop
Do While b(j)>=0
j=j+1
Loop:
③
If w>0 Then v=b(j)|Else v=b(i)
b(i)=b(i)-v:b(j)=b(j)+v
List 3. AddltemStr(i)+“号->”+Str(j)+“号 ”+Str(v)
If w<=0 Thenc=c–1
Loop
End Sub
正确答案
(1). A (2). b(p)= b(p)+x(i) (3). ①c>0 ②. w=b(i)+b(j) ③. v=b(i)-w 或v=-b(j) 或 v=Abs(b(j))
有n个从小到大排列的正整数依次存储在数组a中,另有m(m<n)个正整数存储在数组b中。现要求只保留上述n+m个数据中从小到大排列的前n个数据,并依次存人数组a中,其余数据被剔除。
小李为了解决该问题,首先结合数组a的有序性,找出a,b两个数组中要剔除的m个数据,再将数组b中保留的数据插入到数组a中。示例如下:
(1)若n=8,m=4,数组a的元素依次为“3,4,6,10,13,14,21,25”,数组b的元素依次为“3,18,7,15”,按上述要求剔除m个数据后,数组b中保留的数据个数为______个
(2)实现上述功能的部分VB程序如下,请在划线处填入合适的代码。
Const n=1000,m=50
Dim a(1 To n)As Integer,b(1 To m)As Integer
Function getImax(k As Integer)As Integer
'在数组元素b(1)~b(k)中找出值最大的元素,返回其下标,代码略
End Function
Private Sub Commandl_Click()
Dim i As Integer,j As Integer,k As Integer
Dim na As Integer,nb As Integer,imax As Integer,mean As Integerd
'读取数据分别存人数组a、b,代码略
na=n:nb=m
imax=getImax(nb)
For i=1 To m
If a(na)<= ① Then
b(imax)=b(nb)
nb=nb-1
If nb>0 Thenimax=getImax(nb)
Else
na=na-1
End If
Nexti
Do While nb>0
i=1:j=na
imax= agetImax(nb)
Do While i<=j
mean =(i+j)\2
Ifa(mean)<b(imax) Then i= mean +1 Else j=mean-1
Loop
For k=na ToiStep-1
②
Nextk
a(i+nb-1)=b(imax)
b(imax)=b(nb)
③
nb=nb-1
Loop
'输出数组a,代码略
End Sub
正确答案
(1). 2 (2). ①.b(imax) ②. a(k+nb)=a(k) ③.na=k 或 na=j 或na=i-1
如图所示是用于饮料封装的自动化生产线。余料辊间歇运动,余料辊停顿时完成成型、充填、热封、冲裁等环节的工作;各环节完成后余料辊继续转动,并牵引基材、覆膜向前移动设定长度。成品通过输送带送出。请根据示意图和描述,完成以下任务:
(1)余料辊停顿时完成成型、充填、热封,冲裁等环节的工作,这些环节属于_____(A.串行环节;B.并行环节);
(2)关于该生产线设计的描述不正确的是___________(A.余料辊收集余料以便回收,遵循了可持续发展原则;B.减少充填量以提高效率,遵循了经济原则;C.生产线设计中涉及的他人专利技术获得了授权,遵循了道德原则;D.设计时兼顾生产线和成品的外观,遵循了美观原则);
(3)在生产线安装完成后,开机进行空载试验,查看生产线能否正常运转,该试验方法属于______(A.优选试验法;B.强化试验法;C.模拟试验法;D.虚拟试验法);
(4)小明针对成型、热封和冲裁设计了如下装置,其中适合用于热封的是__________
(5)余料辊停顿的时间由________上决定(A.各环节完成的平均时间;B.各环节完成的总时间;C.用时最短的环节;D.用时最长的环节)。
正确答案
(1). A (2). B (3). C (4). A (5). D
小明家的电视机摆放在电视柜上(如图所示),高度位置不能调整。为了满足不同姿势看电视的需要;准备移除电视柜,在墙上安装一个装置,电视机通过背面的螺纹孔安装在装置上,装置可带动电视机升降和俯仰。请你帮助小明设计该装置,具体要求如下:
A.电视机的升降范围0~600mm;
B.电视机的俯仰角度范围-20°~+20°;
C.电视机能保持在所调节的位置;
D.采用减速电机驱动(数量不限);
E.整个装置结构简单,其有一定的强度和稳定性;,
F.其余材料自选。
请你完成以下任务:
(1)设计装置时,可以不考虑的是_______(A.电视机的重量;B.电视机的厚度;C.墙体材料);
(2)设计装置时,在考虑装置可靠性的同时兼顾外观、成本等,体现了系统分析的_______(A.科学性原则;B.整体性原则;C.综合性原则);
(3)设计过程中;,不合理的做法是_________(A.尽量选用标准件;B.完成零件的机械加工图后,绘制整体结构草图;C.用软件进行装置的运动仿真,验证能否升降和俯仰);
(4)画出该装置机械部分的设计草图(电机可用方框表示,电视机可用简单线条表示,必要时可用文学说明);
(5)在设计草图上标注主要尺寸。
正确答案
(1). B (2). C (3). B (4). 略 (5).略
请补全三视图中所缺的3条图线(超过3条图线倒扣分)。
正确答案
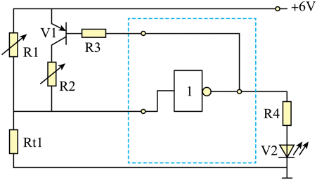
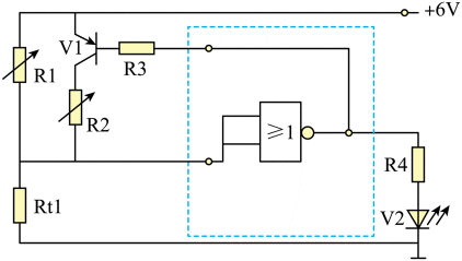
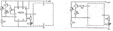
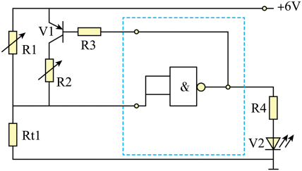
如图所示是车间降温原理示意图及小明设计的温度控制试验电路。当车间温度高于上限时V2发光,表示风机和水泵运行,水泵工作产生水帘,风机排出热空气吸入经水帘冷却的空气,使车间降温。当车间温度低于下限时V2熄灭,表示风机和水泵停止运行。请完成以下任务:
(1)电路中的Rt1应采用__________(A.正温度系数热敏电阻;B.负温度系数热敏电阻);
(2)设定温度上限和温度下限,合理的调试手段是__________(A.上限调R1、下限调R2;B.上限调R2、下限调R1);
(3)小明准备用1个继电器同时控制风机和水泵工作,用555电路3脚的输出信号通过三极管驱动继电器,当继电器吸合时风机和水泵运行。现有继电器J1(线圈额定电压3V)继电器J2(线圈额定电压6V),继电器J3(线圈额定电压9V)、电阻器二极管、NPN三极管、PNP三极管各1个,请选择4个合适的元器件在虚线框内完成电路设计,要求三极管采用共发射极接法,并标出所选继电器的编号;
(4)小明想用逻辑门代替555电路实现原有电路功能,请你选用课本中的逻辑门,并在虚线框中画出电路,要求电路简单。
正确答案
(1). B (2). B
(3).
(4). 

小王创作主题为“冬奥会中的人工智能”的多媒体作品。首先使用Photoshop软件处理图像,然后使用Flash软件制作动画作品。请回答下列问题:
(1)处理图像的部分界面如第14题图a 示。在当前状态下,下列操作可行的有______(多选,填字母)。
正确答案
(1). BD (2). 形状 4 (3). 将第10帧复制到第1帧 或 在第10帧执行复制帧,在第1帧执行粘贴帧 (4). ACE

































