阅读下列材料,回答下面2题。
某校师生可在学校图书馆自助设备上借还图书,还可通过在线图书馆系统查看借阅记录、续借图书、浏览新书推荐。
(1)下列关于数据的说法,正确的是( )
A.图书的封面图像和馆藏数量在编码方式上没有差异
B.数据库的应用降低了图书数据管理的效率
C.对借阅数据的加工处理可为图书采购提供依据
D.图书借还的数据仅存储在自助设备中
(2)下列措施中,不能有效提升在线图书馆数据安全的是( )
A.向用户发送借阅到期的提醒信息
B.对用户信息进行加密存储
C.定期修改管理员密码
D.为系统服务器增加不间断电源
正确答案
(1)C(2)A
阅读下列材料,回答下面5题。
某智慧公交系统中的车载终端内置了北斗定位、4G/5G通信、音频采集、NFC识别等模块,实时采集、处理公交车辆行驶数据,然后传输至服务器;车载摄像头识别违规驾驶行为,发出语音提醒,并通过车载终端将违规视频传输至服务器;公交APP为用户提供查询服务,还可在电子地图上实时显示公交车辆行驶路线和位置。
(1)在电子地图上实时显示公交车辆行驶路线和位置的过程中,没有用到的技术是( )
A.北斗定位
B.4G/5G通信
C.数据可视化
D.NFC
(2)下列关于公交APP功能和设计的说法,正确的是( )
A.该APP具有数据处理功能
B.该APP的运行不需要操作系统支持
C.该APP升级和维护都是为了适应公交线路的变化
D.该APP只能直接从车载终端获取车辆实时位置
(3)下列关于该系统中硬件和网络的说法,正确的是( )
A.该系统无需在公交车上配备输出设备
B.车载终端中必定有处理器部件
C.车辆行驶数据传输至服务器无需网络协议的支持
D.通过4G/5G网络才能使用公交APP的查询功能
(4)将车载终端采集的声音存储为未经压缩的Wave格式音频文件,下列说法不正确的是( )
A.声音采集实现了从模拟信号到数字信号的转换
B.音频采集模块的采样频率会影响音频的音质
C.现场声音越嘈杂,得到的音频文件存储容量越大
D.为了节省存储空间,,可将Wave格式音频转换为MP3格式
(5)车载摄像头识别违规驾驶行为是基于神经网络方法实现的,下列说法不正确的是( )
A.识别违规驾驶行为是人工智能技术的应用
B.训练神经网络模型时需要提供驾驶行为数据
C.进行违规驾驶行为识别时仍离不开原始训练数据
D.识别违规驾驶行为的结果并不总是正确的
正确答案
(1)D(2)A(3)B(4)C(5)C
某小组搭建水质监测系统,采集某水域溶解氧和pH的数据,进行水质监测。对于每个传感器,智能终端每小时获取3次数据,将3个数据的中位数(排序后处于中间位置的数)通过5G模块上传至服务器。服务器检测到异常情况时,向管理员发送警示信息,并通过智能终端控制指示灯闪烁。用户通过浏览器可查看系统数据。请回答下列问题:
(1)pH数据从采集到存入数据库的数据流向为____________(单选)。
A.传感器→服务器→智能终端→数据库
B.传感器→智能终端→服务器→数据库
(2)该系统的数据处理____________(单选)。
A.全部在服务器端完成
B.全部在智能终端完成
C.部分在智能终端完成,部分在服务器端完成
(3)若连接在智能终端上的5G模块突发故障不能工作,会引发的问题有____________(多选)
A.无法通过浏览器访问溶解氧历史数据
B.智能终端无法传输pH数据至服务器
C.服务器向智能终端传送控制信号失败
D.服务器向管理员发送警示信息失败
(4)智能终端每小时获取的3个pH数据分别存入y1、y2和y3,将中位数存入m的部分流程图如图所示。图中①处应填入_____________。
(5)现需增加水温监测的功能,在智能终端接入温度传感器后,还需对软件部分作多处修改。请用文字描述其中1处修改建议。
正确答案
(1)B(2)C(3)BC(4)yl>y3?或yl>=y3?或其他等价答案(?不加也对)
(5)修改智能终端程序,增加向服务器上传温度传感器数据的代码
水质监测系统已采集了某水域一年的pH数据,该水域pH值的正常范围为6-8。现要对这些数据进行分析,请回答下列问题:
(1)将监测点1的数据导出,存于pHdata.xlsx文件中,如图a所示。现要找出pH均值最高的月份,并统计该月pH大于8的日分布情况,绘制如图b所示的柱形图。实现上述功能的部分Python程序如下,请选择合适的代码填入划线处(单选)。
图a 图b
import pandas as pd
import matplotlib.pyplot as plt
df=pd.read_excel("pHdata.xlsx")
dfl=df.groupby("月",as_index=False).pH.mean() #分组求平均
df2= ①
#将df2首行的月份存入m,代码略
print("pH值最高月份序列为:",m)
df_m= ②
df_ex=df_m[df_m["pH">8] #筛选
df_cnt= ③
#重命名pH列名称为"次数",代码略
plt.bar(df_cnt["日"],df_cnt["次数"])
#设置绘图参数,显示如图b所示的柱形图,代码略
程序中①②③处可选的代码有:
A.df[df["月"]==m]
B.df2[df2["月"]==m]
C.df.sort_values("pH",ascending=False) #降序排序
D.df_ex.groupby("日",as_index=False).pH.count() #分组计数
E.dfl.sort_values("pH",ascending=False)
F.df_ex.groupby("时",as_index=False).pH.count()
(2)将7-12月的pH数据存储于列表data中,要求出一个最长连续序列,其中每个pH值均在正常范围内。如果这样的序列有多个,则选择数值总和最小的序列(若仍有多个,选择最早出现的),输出其长度和起始下标。实现上述功能的部分Python程序如下,请在划线处填入合适的代码。
#读入pH数据,按采集的时间顺序存储于列表data中,代码略
maxn=start=maxt=0
①
while i<len(data):
if 6<=data[i]<=8:
total=0
k=i
while i<len(data)and 6<=data[i]<=8:
total+=data[i]
i+=1
②
if n>maxn:
maxn=n
start=k
maxt=total
elif ③ :
start=k
maxt=total
i+=1
#输出最长连续序列的长度maxn和起始下标start,代码略
正确答案
(1)①E ②A ③D(2)①i=0 ②n=i-k ③n==maxn and total
某校实验室有多台相同的实验仪器,每台仪器同一时间仅限一位学生使用。现要开发一个仪器预约系统,开发前先对实验室的学生进出记录进行统计分析。请回答下列问题:
(1)实验室某天09:30前学生进出情况如图a所示,09:00时实验室内的学生数为____________。
(2)定义如下函数,用于统计在实验室连续停留时间少于5分钟的学生人次。参数b列表中每个元素包含3个数据项,依次为学号、时间(用分钟表示,例如08:05表示为485)和行为(1表示进,-1表示出)。列表b用于存放某天学生进、出实验室的记录,每条进(出)的记录都有一条与之对应的出(进)记录。
def fcount(b):
i=cnt=0
while i<len(b)-1:
if b[i+1][1]-b[i][1]<5:
cnt+=1
i+=1
return cnt
①要实现函数功能,方框处需实现对列表b的操作是____________(单选)。
A.按时间排序;时间相同时,按行为由大到小排序
B.按学号排序;学号相同时,按时间由小到大排序
C.按行为排序;行为相同时,按学号由小到大排序
②若函数fcount(b)的功能修改为统计“学生离开实验室后,8分钟内返回”的情况出现的次数,可将函数中划线处代码修改为:______________and b[i][1]-b[i-1][1]<8。
(3)仪器预约系统中,学生可在线预约仪器使用时段,系统按预约提交顺序逐个处理,如果预约的使用时段有仪器可用,预约成功,否则失败。
实现预约处理功能的函数如下,其中用到的部分列表函数与方法如第15题图b所示,请在划线处填入合适的代码。

函数参数data列表存放已按提交顺序排列的预约信息,每个元素包含4个数据项,依次为学号、起始时间、终止时间、是否成功。其中起始、终止时间都用8位数字字符串表示,如“09280830”表示9月28日8点30分,“是否成功”数据项用于存放每个预约的处理结果。
参数m存放实验室仪器台数。
""
def proc(data,m):
a=[]
for i in range(len(data)):
①
pl=0
while pl<len(a)and a[p1][0]<data[i][1]:
pl+=1
if pl>0:
p2=p1-1
else:
p2=0
while p2<len(a)and a[p2][0]<data[i][2]:
if ② :
flag=False
break
p2+=1
if flag:
for j in range(p1,p2)
a[i][1]+=1
a.insert(p2,[data[i][2],0])
a.insert(p1,[data[i][1],1])
if pl>0:
①
a[p2+1][1]=a[p2][1]-1
data[i][3]=fag
正确答案
(1)2 (2)①B ②i>0 and b[i][0]==b[i-1][0] (3)①flag=True ②a[p2][1]==m ③a[p1][1]=a[p1-1]+1
在通用技术实践课中,小明用一块长210mm、宽100mm、厚2mm的钢板加工出如图所示的沥水篮。
(1)下列操作中,不合理的是( )
A.划线时,先在钢板上划矩形板,再划耳板
B.底板按100mm×60mm进行划线
C.锯割底板时,在线的外侧留余量
D.锉削时,用手清除锉刀上的切屑应戴手套,防止扎伤手指
(2)下列加工流程中,合理的是( )
A.划线→锯割→锉削→钻孔→焊接
B.划线→锯割→锉削→焊接→钻孔
C.划线→钻孔→锯割→锉削→焊接
D.划线→锯割→钻孔→焊接→锉削
正确答案
(1)D(2)C
如图所示是一种鲐鱼鱼体姿态控制系统的示意图,其工作过程是:鱼体以随机姿态逐条送入传送带,ARM单片机根据工业相机采集的鱼体图像判断出鱼体姿态,并发送信号给Arduino单片机。当光电传感器检测到鱼体到达作业位置时,发送信号给Arduino单片机,Arduino单片机结合鱼体姿态,通过继电器模块驱动电磁阀来控制相应机构将鱼体调整成设定姿态。
(1)下列从系统角度进行的分析中,恰当的是( )
A.专门用于鲐鱼鱼体姿态的调整,体现了系统的环境适应性
B.ARM单片机能判断鱼体姿态,体现了系统的目的性
C.从系统分析的整体性原则出发,先考虑姿态判断,再考虑姿态调整
D.从系统分析的科学性原则出发,通过试验获得相关参数后计算确定系统处理速度
(2)下列从控制系统角度进行的分析中,恰当的是( )
A.控制量是鱼体的设定姿态
B.被控对象是鱼体
C.控制器是ARM单片机
D.光电传感器起反馈作用
正确答案
(1)D(2)B
小明在灯会上看到如图所示的龙形花灯(以下简称龙灯)。龙灯通过支撑件与支撑杆连接。小明准备设计一款具有动态效果的龙灯,请完成以下任务:
(1)小明从设计的一般原则角度进行了思考,不合理的是(单选)________;
A.从可持续发展原则出发,选择可降解或可重复使用的材料
B.从技术规范原则出发,应使龙灯工作安全可靠,工作电压越低越好
C.从经济原则出发,在满足强度、稳定性等要求的前提下,尽量降低成本
(2)小明从如图所示绳的运动轨迹中得到启发,准备使多个支撑件做升降运动呈现腾飞的动态效果。采用的构思方法属于(单选)________;
A.形态分析法
B.仿生法
C.设问法
D.联想法
(3)小明对龙灯本体进行的设计分析中,不合理的是(单选)________;
A.构件的尺寸应使各支撑件能协调运动,从而呈现腾飞的动态效果
B.龙灯骨架的构件之间均不能有相对运动,保证其具有足够的强度
C.安装红、黄LED灯组,产生灯光效果
(4)小明构思了支撑件与支撑杆连接的方案,其中支撑件可升降的是(多选)________;
正确答案
(1)B(2)D(3)B(4)BE
小明想设计一个装置来实现28题中龙灯位置2和位置4支撑件的升降,已知相邻两支撑杆之间的距离为2m。请你帮助小明设计该装置的机械部分,设计要求如下:
(a)位置2和位置4支撑件运动的速度大小相等、方向相反;
(b)支撑件升降的行程为0.6m;
(c)采用电机驱动,通过往复运动机构或电机的正反转实现支撑件的升降;
(d)尽量使用1个电机。
请完成以下任务:
(1)小明构思了四种运动方式来实现支撑件的升降运动,不合理的是(单选)________;
A.支撑杆不动,支撑件上下移动
B.支撑杆带动支撑件一起上下移动
C.支撑件与支撑杆一起转动
D.支撑杆转动,支撑件沿轴线上下移动
(2)请在头脑中构思符合设计要求的多个方案,并画出最优方案的设计草图(电机可用方框表示,支撑件与龙灯之间的连接可不表达),简要说明方案的工作过程;
(3)在草图上标注主要尺寸。
正确答案
(1)C
(2)(3)
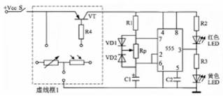
小明完成了29题中机械装置的制作后,为了点缀龙灯,设计了如图所示的实验电路,使红色、黄色LED交替发光。请完成以下任务:
(1)为了增强喜庆感,希望红色LED发光时间变长。对Rp的调节正确的是(单选)________;
A.滑动端向上移
B.滑动端向下移
(2)小明希望LED发光亮度能渐变,重新对电路进行了设计,如图所示。测试时,发现不能实现预期功能。可行的改进措施是(单选)________;
A.增加C3、C4的放电通路
B.增加C3、C4的充电通路
C.将C3、C4替换成容量较小的电容
(3)为了实现环境光照强度低到一定程度时LED才工作,请帮助小明在虚线框1中连线完成电路设计;
(4)为了节能,小明准备用继电器控制龙灯,当下雨或无观众时,机械装置子系统和LED子系统不工作。请帮助小明完成电路设计,在虚线框2中完成门电路的连接,其输出信号F作为虚线框3中电路的输入信号,并选择电阻、二极管、继电器及合适类型的三极管各一个,在虚线框3中用共发射极接法将电路补充完整。
正确答案
(1)B(2)A
(3)
(4)
某二叉树如图所示,E节点在前序遍历序列中的位置记号为x。下列二叉树中,E节点在中序遍历序列中的位置序号也为x的是( )
正确答案
某队列中,队首到队尾的元素依次为A,B,C,D,E。元素出队后直接输出或重新入队,若输出次序为B,D,C,E,A,则元素A重新入队的最少次数为( )
正确答案
有如下Python程序段:
i,r=n,""
while i<len(s):
r+=s[i]
i+=1
if i%5==0:
i+=n
若s为"abcdefghi",n为2,运行该程序段后,r的值为( )
正确答案
有如下Python程序段:
tag=[0]*len(data)
p=i=0
while i<len(data):
if tag[p]==0 and data[p][1]!=1:
tag[i]+=1
p=data[p][1]
else:
tag[i]+=tag[p]
i+=1
p=i
若data为[[11,3],[23,-1],[15,0],[26,1],[63,2]],运行该程序段后,tag[4]的值为( )
正确答案
定义如下函数,返回key在列表data中的下标,若key不存在,则返回-1。
def bsearch(data,key):
i,j=0,len(data)-1
while i<=j:
m=(i+j)//2
for k in range(m-1,m+2):
if i<=k<=j and data[k]==key:
return k
if data[m]
i=m+2
else:
j=m-2
return-1
如果调用函数返回结果不正确,则data可能是( )
正确答案
随着我国跨入智能电网时代,电力供应稳定可靠,处于世界领先地位。下列关于智能电网技术的说法中,不恰当的是( )
正确答案
对如图所示雨披进行的分析与评价中,不恰当的是( )
正确答案
如图所示的创意毛巾挂架,由底座、盖板和钢球组成,将毛巾从盖板与钢球之间由下往上提,毛巾带动钢球移动,松手后钢球在重力作用下将毛巾卡住。以下设计方案中,合理的是( )
正确答案
下列三视图中,左视图不符合投影关系的是( )
正确答案
如图所示的刹车装置,刹车盘通过转轴安装在机架上,刹车臂、手柄通过销轴安装在机架上。手柄在力F的作用下转动,通过杆1和杆2带动上、下刹车臂抱紧刹车盘,从而实现刹车。撤去力F后,弹簧使装置复位。下列关于该刹车装置的分析,不正确的是( )
正确答案
小明准备在印制电路板上制作如图所示的触摸延时灯实验电路。下列表述中,合理的是( )
正确答案
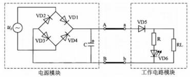
如图所示是小明设计的电源模块和工作电路模块。下列分析中不正确的是( )
正确答案
如图所示是小明设计的灯带电路模型,R1与R2、VT1与VT2参数相同,VD1-VD8为硅二极管。初始状态时,VT1、VT2、VT3均工作在放大区。下列分析中不正确的是( )


































