- 真题试卷
- 模拟试卷
- 预测试卷
1.下列有关信息与信息处理的说法,错误的是( )
正确答案
4.下列十六进制数中,转换为二进制数后含有奇数个“1”的是( )
正确答案
6.两个未经压缩的音频文件,相关参数如图所示。
则文件1与文件2的存储容量比约为( )
正确答案
7.若x是整型变量,下列选项中,与表达式Not(x>=5 And x<9)等价的是( )
正确答案
9.有如下VB程序段:
sl = "1324":s2="abcdefgh"
j = 1:m=0:c=" "
For i= 1 To Len (s2)
k =Val(Mid(sl, j, 1))
c= c +Mid(s2,m +k,1)
j=j+1
If j>4 Then j= 1:m =m+ 4
Next i
执行该程序段后,变量c的值是( )
正确答案
10.下列VB程序段功能为:在文本框 Text中显示整型数组元素a(1)到a(9)中的最小值和最大值。
amin= a(1):amax=a(1)
i=2:j=9
Do While i <= j
If a(i) > a(j) Then
(1)
(2)
Else
(3)
(4)
End If
i=1:j=j-1
Loop
Text 1. Text= Str(amin)+"," Str(amax)
上述程序段中方框处可选语句为:
①If a(j)>amax Thenamax =a(j)
②If a(j)< amin Thenamin =a(j)
③If a(i)<amin Thenamin =a(i)
④Ifa(i)>amin Thenamin =a(i)
则(1)(2)(3)(4)处语句依次可为( )
正确答案
2.下列有关网页与浏览器的说法,正确的是( )
正确答案
3.使用Access软件设计一个数据表,存储如图所示的学生提问记录数据。
下列表结构设计合理的是( )
正确答案
5.用 Photoshop软件制作“飞越高峰”作品,在“鹰”图层中已选择矩形区域,如图所示。
下列说法正确的是( )
正确答案
8.某算法的部分流程图如图所示。执行这部分流程,若输入a的值为36,则输出c的值为( )
正确答案
11.某对分查找算法的VB程序段如下:
'数组元素f(1)到f(9)赋初值为0,代码略
key= Val(Text1. Text)
i=1:j=9
Do While i<=j
m=(i+j)\2
f(m)=1
If a(m)= key then Exit Do'Exit Do表示退出循环
If a(m)> key Then j=m-1 Else i= m +1
Loop
整型数组元素a(1)到a(9)为升序序列,在文本框 Text1中输入待查找数,执行该程序段后,下列选项中,f(1)到f(9)各元素值不可能的是( )
正确答案
12.有如下ⅤB程序段:
'生成6个随机正整数,依次存入数组元素a(1)到a(6),代码略
For i=1 To 2
For j=6 To i+ 1 Step-l
If a(j)Mod 3 >a(j-1)Mod 3 Then
t=a(j):a(j)=a(j-1):a(j-1)=t
End If
Next j
Next i
执行上述程序段后,下列选项中,a(1)到a(6)各元素值不可能的是( )
正确答案
3.小明要制作一个木质的篮球架模型,构思了下列设计方案,从稳定性角度考虑,其中合理的是( )
正确答案
2.如图所示是阶梯式楼梯栏杆及其评价坐标图。根据坐标图,下列分析中不恰当的是( )
正确答案
二、第二部分 通用技术(共50分)
1.如图所示购物车的尺寸中,不是从人机关系角度考虑的是( )
正确答案
正确答案
正确答案
8.如图(a)所示是印刷机中纸筒放卷张力控制系统示意图。该系统采用机械方式检测与控制纸的张力,控制精度不高,导致印刷时套印不准。企业为了提高印刷质量,采用库存的力传感器、伺服电机等将控制系统改装成图(b)所示。从系统的角度,下列分析中不正确的是( )
正确答案
9.如图所示是汽车蓄电池电量控制系统示意图。汽车电气负载消耗蓄电池的电能,当蓄电池电量下降到设定值下限时,发电机在动力控制模块的控制下给蓄电池充电,电量检测装置检测到蓄电池电量达到设定值上限时,发电机停止给蓄电池充电。下列关于该控制系统的分析中正确的是( )
正确答案
11.在通用技术实践室中,小明用多用电表欧姆挡测量质量完好的硅三极管发射结正向和反向电阻。下列指针位置中与测量时的指针位置偏差最大的是( )
正确答案
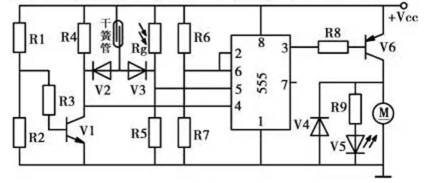
12.如图所示是小明设计的自动关窗电路,下雨或傍晚时电机转动,带动窗扇移动。窗户完全关闭时,干簧管闭合。下列分析中正确的是( )
555功能表
正确答案
7.如图所示的防疫通道,由顶板、地板、门架和墙板组成。门架上安装有测温仪、摄像头、防护帘等。下列关于该防疫通道安装流程的设计分析中正确的是( )
正确答案
6.如图所示的压緊机构,在力F的作用下,驱动杆通过连杆1、摆杆、连杆2带动压杆向下运动,将工件压紧。压紧时,连杆1和连杆2与摆杆垂直,且连杆2与压杆在同一直线上,此时连杆1、摆杆、连杆2、压杆的主要受力形式是( )
正确答案
10.下列对通用技术课程中常用元器件的特性描述不正确的是( )
正确答案
13.如图所示的光控灯实验电路,S按下时接通,松开后断开。下列分析中正确的是( )
正确答案
13.小李收集了手机网民互联网应用的用户规模数据,并用Eel软件进行数据处理,如图a所示。
请回答下列问题:
(1)为计算图a中的“相对2017年12月的增长率(%)”,小李已正确计算了单元格G4中的数据。他希望将单元格G4中的公式向下自动填充至单元格G13,再将区域G4:G13中的公式向右自动填充至I列,从而正确计算出区域G4:I13中的数据,则单元格G4中的公式应修改为_____________。
(2)根据图a中数据制作的图表如图b所示,创建该图表的数据区域是A3:A5,C3:F5,A8,___________。
(3)为了获得“商务交易”类别中2020年3月用户规模最大的数据,并显示在操作结果的最前面(紧邻第3行),一种可行的操作是:选择数据区域A3:F13后,对该区域____________(选填2个序号,按操作顺序)。
①以“2020年3月”为关键字进行降序排序
②以“类别”为关键字(按字母排序)进行降序排序
③按“类别”进行筛选,选择的值为“商务交易
④按“2020年3月”进行筛选,选择“10个最大的值”并显示最大的1项
(注:全部选对的得2分,选对但不全的得1分,不选或有选错的得0分)
正确答案
(1)=(D4-$C4)/$C4*100 (2)C8:F8 (3)①③或③①
14.小李使用Flash软件创作“花中君子”多媒体作品。请回答下列问题:
(1)作品的模块设计框架图如图a所示,将各功能模块和主交互界面都设计成独立场景。各功能模块的场景播放完成后自动停止,单击“返回”按钮,返回主交互界面。下列说法正确的是___________(多选,填字母)。
A.主交互界面中包含5个功能模块
B.主交互界面中按钮的应用体现了多媒体技术的交互性
C.各功能模块场景的最后一帧可添加帧动作脚本stop();
D.各功能模块场景中“返回”按钮上可添加动作脚本on( release){gotoAndStop(1);}
(注:全部选对的得2分,选对但不全的得1分,不选或有第14题图a选错的得0分)
(2)“竹之韵”场景的编辑界面如图b所示,“轻舟”图层中的小船是“舟”元件的实例。“舟”元件是在当前场景中通过绘制船形状并转换为图形元件后生成的,“舟”元件中的船是___________(选填:位图/矢量图)。若调整小船实例的大小,则“舟”元件________________(选填:会/不会)同步变化。
(3)“轻舟”图层中实现了小船从起始位置1移动到终止位置2的动画,位置1、2及其坐标(X,Y)值如图b所示。下列关于小船动画的描述正确的是___________(多选,填字母)。
A.测试场景时,小船沿水平方向匀速移动
B.小船动画的补间类型为“动画”,移动时间约为4.5秒
C.若将小船动画的缓动值调整为100,测试场景时,小船移动总时长将增加
D.若在当前图层第15帧插入关键帧,测试场景时,小船从第1帧到第15帧没有移动
E.若将小船起始坐标改为(150,200),测试场景时,小船移动将变快
(注:全部选对的得2分,选对但不全的得1分,不选或有选错的得0分)
(4)“文字”图层的第30帧和第36帧均为关键帧。测试场景时,为了使“文字”图层第31帧到第35帧中的内容完全消失,其他动画效果保持不变,应进行的操作是_______________。
正确答案
(1)BC (2)矢量图 不会 (3)ABE
(4)在“文字”图层第31帧处执行“插入空白关键帧”命令或等效操作
15.某校为学生期末考试分配考场,并编制准考证号。每个班级有班号,每位学生有班内序号,班内序号是按班级现有人数从1开始逐个编排的。准考证号格式为“入学年份+班号+班内序号”。每个考场有30个座位,座位号从1开始。连续分配座位的两个学生不属于同一个班级。
分配方法是:按考场号递增、同一考场座位号递增的顺序逐一分配座位。每次分配,先选班级,再选学生。选择班级时,在班级降序序列(按未分配人数)中选择第1个班级,但如果该班和前一次分配选定的班级相同,则改选第2个班级。选定班级后,再为该班耒分配学生中序号最大的学生分配考场座位,并维护班级降序序列(按未分配人数)。
编写VB程序,实现考场分配功能:在文本框Text1中填写入学年份,单击“读取”按钮Commandl后,将各班数据按人数降序显示在列表框List1中,然后单击“分配”按钮Command2,在列表框List2中显示分配结果。程序运行界面如图所示。
请回答下列问题:
(1)下列对象中,有 Caption属性的是_______________(单选,填字母:A. Command 1 / B. Text 1/C. List 1)。
(2)实现考场分配功能的VB程序如下,请在划线处填入合适的代码。
(3)程序中加框处代码有错,请改正。
Dim n As Integer, y As String
Dim cla(1 To 20)As Integer, num(I To 20)As Integer
Dim room as Integer '存储考场号
Dim seat as Integer '存储座位号
Function fm(k As Integer) As String
'返回整数k(l≤k≤99)对应的数字字符串,不足两位左侧补“0”,代码略
End function
Private Sub Command 1_ Click( )
'从Text l中读取入学年份存入变量y,从数据库中读取该人学年份的班级数据,
'将班级个数存人变量n(1<n≤20),各班班号和人数分别存人数组cla和num,
'各班班号均大于0,各班人数均未超过总人数的一半,
'将数组cla和num按班级人数降序排列后,显示在List l中,代码略
End Sub
Private Sub Command 2_ Click( )
Dim i As Integer, t As Integer, s As Integer
Dim choice As Integer, m As Integer, f As Boolean
room=1:seat=1:choice=0
①
Do While f = True
If cla (1) <> choice Then m= 1 Else m = 2
choice = cla(m)
'在列表框List2中显示准考证号、考场号、座位号
List 2. Addltem y+fm(cla(m))+fm(num(m))+" "+fm(room)+" "+fm(seat)
seat = seat+ 1
If seat > 30 Then
room=1
seat = 1
End If
num(m)= num(m)-1
For i= ② To n-1 '维护班级降序序列(按未分配人数)
If num(i)< num(i + 1)Then
t=num(i):num(i)=num(i+1):num(i+1)=t
s = cla(i):cla(i)= cla(i + 1):cla(i+1)=s
Else
Exit For 'ExitFor表示退出循环
End If
Next i
If ③ Then f = False
Loop
End Sub
正确答案
(1)A (2)①f=True ②m ③num(1)=0或等价表达式
(3)room=room +1
16.编写VB程序,功能是根据A城和B城同一时间段内的温度数据,计算两城温差(A城温度B城温度)A城数据和B城数据分别为包含若于个记录的序列,其中,A城每个记录包含温度及其截止时间,B城每个记录包含温度及其持续时长。两城温差计算结果表示为若干个记录的序列,每个记录包含温差及其持续时长。持续时长是指同一温度(或温差)保持不变的最大时长。示例见下表。
(时间单位:小时,温度单位:摄氏度)
表中,A城数据有4个记录,其中第1个记录为(温度30,截止时间2),第2个记录为(温度33,截止时间4),这表明从开始到第2小时的温度都是30,此后到第4小时的温度都是33。B城数据有4个记录,其中第3个记录为(温度21,持续时长2),这表明第5、第6这2个小时的温度都是21.两城温差计算结果的第4个记录为(温差10,持续时长3),这表明第5第6、第7这3个小时的温差都是10。
(1)若将示例中A城数据修改为3个记录,依次是(温度30,截止时间4)、(温度31,截止时间6)、(温度32,截止时间7),B城数据不变,则两城温差计算结果中第1个记录为(温差10,持续时长______________)(填数值)。
(2)实现上述功能的VB程序如下,请在划线处填入合适的代码。
Const m =1000 '温度数据和温差数据包含的记录数都少于1000
Dim na As Integer, nb as integer 'A、B城数据分别有na和nb个记录
Dim ha(m)As Integer 'ha(i)存储A城第i个记录中的温度
Dim ta(m)As Integer 'ta(i)存储A城第i个记录中的截止时间
Dim hb(m)As Integer 'hb(i)存储B城第i个记录中的温度
Dim tb(m)As Integer 'tb(i)存储B城第i个记录中的持续时长
Dim h(m)As Integer 'h(i)存储计算结果第i个记录中的温差
Dim t(m)As Integer 't(i)存储计算结果第i个记录中的持续时长
Private Sub Command l__ Click()
Dim i As Integer,j As Integer
Dim p0 As Integer,p1 As Integer,diff As Integer
Dim n As Integer '两城温差数据的记录个数
'读取两城数据,存入变量ma,nb及数组ha,ta,hb,tb中,代码略
For i=2 To nb
tb(i)= ① '将B城第i个记录中的持续时长转换为截止时间
Next i
i=1:j=1
n=0
p0=0
Do While i < na And i<= nb
diff ha(i)-hb(j)
pl = ta(i)
If ② Then i =i+1
If p1 >= tb (j) Then
pl = tb(i)
j=j+1
End if
If n = 0 Or diff <> h(n) Then
n=n+l
h(n) = diff
t(n) = pl- p0
Else
③
End If
p0=pl
Loop
'输出两城温差数据,代码略
End Sub
正确答案
(1)3
(2)①tb(i)+tb(i-1)
②ta(i)<=tb(j)或p1<=tb(j)或等价表达式
③t(n)=t(n)+pl-p0
14.小明在通用技术实践课的操作中发现,工件尺寸稍大于钳口的最大张开尺寸,台虎钳就无法夹持,小明决定针对台虎钳的钳口进行改进设计。
请完成以下任务:
(1)小明提出了下列设计要求,其中不合理的是________(在下列选项中第14题图浙江考试一回选择合适的选项,将序号填入“________”处);
A.改进后的钳口既可以夹持长方体,又可以夹持圆柱体;
B.改进后的钳口可以夹持任意尺寸的工件;
C.钳口材料要有足够的强度;
D.钳口夹持面要作防滑处理,钳口与钳身的连接方式保持不变。
(2)小明设计了三种钳口,其中结构合理的是________(在下列选项中选择合适的选项,将序号填入“________”处);
(3)用大小合适的方钢制作你所选方案的一侧钳口,合理的加工流程为:A→________→________→C(在“A.划线;B.锯割;C.锉削;D.钻孔”中选择合适的选项,将序号填入“________”处);
(4)要把改进后的钳口安装到台虎钳上,合理的安装孔形式是________、________(在下列选项中选择合适的选项,将序号填入“________”处)。
正确答案
(1)B;(2)A;(3)D、B;(4)B、D或D、B
15.小明看到小区消防车道的路口摆放了石墩(如图所示),以阻止机动车进入。当确有机动车需要进入时,需人工搬开石墩,机动车离开后还要将石墩搬回原处,操作很不方便。于是小明想设计电动的可升降装置来替代石墩,用遥控开关来控制装置的升降。请你帮助小明设计该装置的机械部分,设计要求如下:
①每个石墩处安装一个电动的可升降装置,升起后能有效阻挡机动车进入,行人和非机动车可以通行。装置下降后机动车可以通行;
②装置安装在路面下方,升起后高出路面不小于400 mm,下降后与路面相平;
③装置升起后具有一定的强度和稳定性;
④采用小型减速电机驱动,通过电机的正转或反转实现装置的上升或下降;
⑤材料自选
请完成以下任务:
(1)小明发现问题的途径是________(在“A.收集信息;B.观察日常生活;C.技术试验”中选择合适的选项,将序号填入“________”处);
(2)设计要求中提出装置升降范围不小于400mm,主要考虑了________的因素(在“A.物; B.人;C.环境”中选择合适的选项,将序号填入“________”处);
(3)小明设想该装置安裝后,采用遥控器来控制装置的上升和下降,按下上升或下降按钮后,电机驱动该装置上升或下降,装置运动一定时间后停止。按照小明的设想,该装置控制方式属于________(在“A.开环控制;B.闭环控制”中选择合适的选项,将序号填入“________”处);
(4)画出机械部分的设计草图(只要求画出一个装置,电机可用方块代表,不必考虑装置的防水),必要时用文字说明;
(5)在设计草图上标注主要尺寸。
正确答案
(1)B;(2)C;(3)A;(4)、(5)略
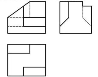
16.请补全三视图中所缺的3条图线(超过3条图线倒扣分)。
正确答案
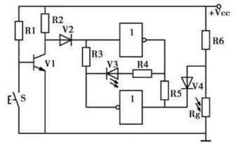
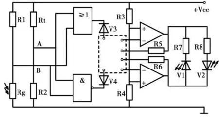
17.如图(a)所示是希罗自动门的控制原理示意图。小明应用通用技术教材中的知识,对该自动门的控制装置进行改造。用光敏电阻检测白天还是晚上,用热敏电阻检测祭坛是否点火,用电机驱动轴3正转或反转实现庙门的开启或关闭,用干簧管检测开门和关门的极限位置。如图(b)所示是小明设计的部分电路,其控制要求:仅在白天祭坛点火时开门,其它情况关门;V3是电路运行指示灯,只要通电就一直发 光;V2发光代表开门过程(电机正转),V1发光代表关门过程(电机反转)。比较器的功能:当V+>V-时输出高电平,当V+<V-时输出低电平。请完成以下任务:
1发光代表关门过程(电机反转)。比较器的功能:
(1)热敏电阻应该选用________(在“A.正温度系数热敏电阻;B.负温度系数热敏电阻”中选择合适的选项,将序号填入“________”处
(2)虚线框1处缺少一个逻辑门,请从教材中学过的逻辑门中选择一个符合控制要求的,将逻辑符号画在虚线框1中;
(3)门完全打开或完全关闭时,相应的干簧管闭合,V1、V2均不发光,只有V3发光。请完成虚线框2中的电路连线,以实现该功能;
(4)为了防止因意外熄火或点火导致误动作,小明修改了控制要求:白天点火后V2发光意外熄火,V2仍然发光;晚上熄火后V1发光,意外点火V1仍然发光。小明重新设计了控制电路(不考虑接通电源时V1、V2的发光状态和门开、关到位时电机如何停止),请完成虚线框中的电路连线,实现上述功能。
正确答案
(1)A;
(2)、(3)
通用技术实践课上,小明设计了如图所示的摆杆。请根据图完成第4-5题。
4.图中漏标的尺寸共有( )
5.用4mm厚的钢板制作该摆杆,下列加工工艺中工具选择不合理的是( )









































