- 真题试卷
- 模拟试卷
- 预测试卷
物质输入和输出细胞都需要经过细胞膜。下列有关人体内物质跨膜运输的叙述,正确的是( )
正确答案
植物激素是一类由植物体产生的,对植物的生长发育有显著影响的微量有机物,下列关于植物激素的叙述,错误的是( )
正确答案
中枢神经系统对维持人体内环境的稳态具有重要作用。下列关于人体中枢的叙述,错误的是( )
正确答案
探究植物细胞的吸水和失水实验是高中学生常做的实验。某同学用紫色洋葱鳞片叶外表皮为材料进行实验,探究蔗糖溶液,清水处理外表皮后,外表皮细胞原生质体和液泡的体积及细胞液浓度的变化。图中所提到的原生质体是指植物细胞不包括细胞壁的部分。下列示意图中能够正确表示实验结果的是( )
正确答案
在生态系统中,生产者所固定的能量可以沿着食物链传递,食物链中的每个环节即为一个营养级。下列关于营养级的叙述,错误的是( )
正确答案
水稻的某病害是由某种真菌(有多个不同菌株)感染引起的。水稻中与该病害抗性有关的基因有3个(A1、A2、a);基因A1控制全抗性状(抗所有菌株),基因A2控制抗性性状(抗部分菌株),基因a控制易感性状(不抗任何菌株),且A1对A2为显性,A1对a为显性、A2对a为显性。现将不同表现型的水稻植株进行杂交,子代可能会出现不同的表现型及其分离比。下列叙述错误的是( )
正确答案
化学与生活密切相关,下列说法正确的是
正确答案
藿香蓟具有清热解毒功效,其有效成分结构如下。下列有关该物质的说法错误的是
正确答案
正确答案


正确答案
W、X、Y、Z为短周期主族元素,原子序数依次增大,最外层电子数之和为19。Y的最外层电子数与其K层电子数相等,WX2是形成酸雨的物质之一。下列说法正确的是
正确答案
用可再生能源电还原

正确答案
正确答案
一同学将铅球水平推出,不计空气阻力和转动的影响,铅球在平抛运动过程中( )
正确答案
在下列两个核反应方程中

正确答案
一小车沿直线运动,从t = 0开始由静止匀加速至t = t1时刻,此后做匀减速运动,到t = t2时刻速度降为零。在下列小车位移x与时间t的关系曲线中,可能正确的是( )
正确答案
一质点做匀速圆周运动,若其所受合力的大小与轨道半径的n次方成正比,运动周期与轨道半径成反比,则n等于( )
正确答案
在一些电子显示设备中,让阴极发射
正确答案
用水平拉力使质量分别为



正确答案
光滑刚性绝缘圆筒内存在着平行于轴的匀强磁场,筒上P点开有一个小孔,过P的横截面是以O为圆心的圆,如图所示。一带电粒子从P点沿PO射入,然后与筒壁发生碰撞。假设粒子在每次碰撞前、后瞬间,速度沿圆上碰撞点的切线方向的分量大小不变,沿法线方向的分量大小不变、方向相反;电荷量不变。不计重力。下列说法正确的是( )
正确答案
一有机玻璃管竖直放在水平地面上,管上有漆包线绕成的线圈,线圈的两端与电流传感器相连,线圈在玻璃管上部的5匝均匀分布,下部的3匝也均匀分布,下部相邻两匝间的距离大于上部相邻两匝间的距离。如图(a)所示。现让一个很小的强磁体在玻璃管内沿轴线从上端口由静止下落,电流传感器测得线圈中电流I随时间t的变化如图(b)所示。则( )
正确答案
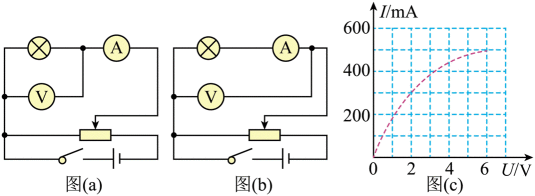
某同学用伏安法测绘一额定电压为6V、额定功率为3W的小灯泡的伏安特性曲线,实验所用电压表内阻约为

(1)实验中得到的电流I和电压U的关系曲线如图(c)所示,该同学选择的电路图是图________(填“a”或“b”)
(2)若选择另一个电路图进行实验,在答题卡所给图上用实线画出实验中应得到的关系曲线的示意图______。
正确答案
①. a ②.
某同学利用如图(a)所示的实验装置探究物体做直线运动时平均速度与时间的关系。让小车左端和纸带相连。右端用细绳跨过定滑轮和钩码相连。钩码下落,带动小车运动,打点计时器打出纸带。某次实验得到的纸带和相关数据如图(b)所示。
(4)根据(3)中的直线方程可以判定小车做匀加速直线运动,得到打出A点时小车速度大小

正确答案
①. 24.00 ②. 80 ③.
④. 70.0 ⑤. 59.0 ⑥. b ⑦. 2k
正确答案
(1)做还原剂,将
(2)
(3)c (4) ①. 不可行 ②. 产物中的硫化物与酸反应生成的有毒气体




(5)
(6)
钴配合物

具体步骤如下:
Ⅰ.称取

Ⅱ.分批加入




Ⅲ.加热至

Ⅳ.将滤得的固体转入含有少量盐酸的
Ⅴ.滤液转入烧杯,加入
回答下列问题:
(1)步骤Ⅰ中使用的部分仪器如下。
仪器a的名称是_______。加快NH4Cl溶解的操作有_______。
(2)步骤Ⅱ中,将温度降至10℃以下以避免_______、_______;可选用_______降低溶液温度。
(3)指出下列过滤操作中不规范之处:_______。
(4)步骤Ⅳ中,趁热过滤,除掉的不溶物主要为_______。
(5)步骤Ⅴ中加入浓盐酸的目的是_______。
正确答案
(1) ①. 锥形瓶 ②. 升温,搅拌等
(2) ①. 浓氨水分解和挥发 ②. 双氧水分解 ③. 冰水浴
(3)玻璃棒没有紧靠三层滤纸处,漏斗末端较长处(尖嘴部分)没有紧靠在“盛滤液”的烧杯内壁
(4)活性炭 (5)利用同离子效应,促进钴配合物[Co(NH3)6]Cl3尽可能完全析出,提高产率
甲烷选择性氧化制备甲醇是一种原子利用率高
(1)已知下列反应的热化学方程式:
①

②

反应③




正确答案
(1) ①. 

(2) ①. b ②.
(3) ①. Ⅰ ②. c ③. < ④. 2
某同学将从菠菜叶中分离到的叶绿体悬浮于缓冲液中,给该叶绿体悬浮液照光后糖产生。回答下列问题。
(1)叶片是分离制备叶绿体的常用材料,若要将叶肉细胞中的叶绿体与线粒体等其他细胞器分离,可以采用的方法是_____(答出1种即可)。叶绿体中光合色素分布_____上,其中类胡萝卜素主要吸收_____(填“蓝紫光”“红光”或“绿光”)。
(2)将叶绿体的内膜和外膜破坏后,加入缓冲液形成悬浮液,发现黑暗条件下悬浮液中不能产生糖,原因是_____。
(3)叶片进行光合作用时,叶绿体中会产生淀粉。请设计实验证明叶绿体中有淀粉存在,简要写出实验思路和预期结果。_____
正确答案
(1) ①. 差速离心 ②. 类囊体(薄)膜 ③. 蓝紫光
(2)悬液中具有类囊体膜以及叶绿体基质暗反应相关的酶,但黑暗条件下,光反应无法进行,暗反应没有光反应提供的原料ATP和NADPH,所以无法形成糖类。
(3)思路:将生长状况良好且相同的植物叶片分为甲乙两组,两组植物应均进行饥饿处理(置于黑暗中一段时间消耗有机物),甲组放置在有光条件下,乙组放置在其他环境相同的黑暗状态下,一段时间后,用差速离心法提取出甲乙两组的叶绿体,脱绿后制作成匀浆,分别加入碘液后观察。结果:甲组匀浆出现蓝色,有淀粉产生;乙组无蓝色出现,无淀粉产生。
某研究小组以某种哺乳动物(动物甲)为对象研究水盐平衡调节,发现动物达到一定程度时,尿量明显减少并出现主动饮水行为;而大量饮用清水后,尿量增加。回答下列问题。
(1)哺乳动物水盐平衡的调节中枢位于_____。
(2)动物甲大量失水后,其单位体积细胞外液中溶质微粒的数目会_____,信息被机体内的某种感受器感受后,动物甲便会产生一种感觉即_____,进而主动饮水。
(3)请从水盐平衡调节的角度分析,动物甲大量饮水后尿量增加的原因是_____。
正确答案
(1)下丘脑 (2) ①. 升高 ②. 渴觉
(3)动物甲大量饮水→细胞外液渗透压降低→下丘脑渗透压感受器兴奋→下丘脑水平衡调节中枢兴奋→垂体释放抗利尿激素减少→肾小管、集合管重吸收减少→尿量增加
某旅游城市加强生态保护和环境治理后,城市环境发生了很大变化,水体鱼明显增多,甚至曾经消失的一些水鸟(如水鸟甲)又重新出现。回答下列问题。
(1)调查水鸟甲的种群密度通常使用标志重捕法,原因是_____。
(2)从生态系统组成成分的角度来看,水体中的鱼,水鸟属于_____。
(3)若要了解该城市某个季节水鸟甲种群的环境容纳量,请围绕除食物外的调查内容有_____(答出3点即可)。
正确答案
(1)鸟类活动能力强,活动范围大
(2)消费者 (3)环境条件、天敌和竞争者
乙烯是植物果实成熟所需的激素,阻断乙烯的合成可使果实不能正常成熟,这一特点可以用于解决果实不耐储存的问题,以达到增加经济效益的目的。现有某种植物的3个纯合子(甲、乙、丙),其中甲和乙表现为果实不能正常成熟(不成熟),丙表现为果实能正常成熟(成熟),用这3个纯合子进行杂交实验,F1自交得F2,结果见下表。
回答下列问题。
(1)利用物理、化学等因素处理生物,可以使生物发生基因突变,从而获得新的品种。通常,基因突变是指_____。
(2)从实验①和②的结果可知,甲和乙的基因型不同,判断的依据是_____。
(3)已知丙的基因型为aaBB,且B基因控制合成的酶能够催化乙烯的合成,则甲、乙的基因型分别是_____;实验③中,F2成熟个体的基因型是_____,F2不成熟个体中纯合子所占的比例为_____。
正确答案
(1)DNA分子上发生碱基的增添、替换、缺失导致的基因结构发生改变的过程
(2)实验①和实验②的F1性状不同,F2的性状分离比不相同
(3) ①. AABB、aabb ②. aaBB和aaBb ③. 3/13
[化学——选修3:物质结构与性质]
将酞菁—钴钛—三氯化铝复合嵌接在碳纳米管上,制得一种高效催化还原二氧化碳的催化剂。回答下列问题:
(1)图1所示的几种碳单质,它们互为_______,其中属于原子晶体的是_______,
(2)酞菁和钴酞菁的分子结构如图2所示。
酞菁分子中所有原子共平面,其中


正确答案
(1) ①. 同素异形体 ②. 金刚石 ③. 范德华力
(2) ①. ③ ②. +2 ③. 配位
(3) ①. 
[化学——选修5:有机化学基础]
阿佐塞米(化合物L)是一种可用于治疗心脏、肝脏和肾脏病引起的水肿的药物。L的一种合成路线如下(部分试剂和条件略去)。
已知:R-COOH

回答下列问题:
(1)A的化学名称是_______。
(2)由A生成B的化学方程式为_______。
(3)反应条件D应选择_______(填标号)。
a.HNO3/H2SO4 b.Fe/HCl c.NaOH/C2H5OH d.AgNO3/NH3
(4)F中含氧官能团的名称是_______。
(5)H生成I的反应类型为_______。
(6)化合物J的结构简式为_______。
(7)具有相同官能团的B的芳香同分异构体还有_______种(不考虑立体异构,填标号)。
a.10 b.12 c.14 d.16
其中,核磁共振氢谱显示4组峰,且峰面积比为2:2:1:1的同分异构体结构简式为_______。
正确答案
(1)邻硝基甲苯(2-硝基甲苯)
(2)

(3)b (4)羧基
(5)消去反应 (6)
(7) ①. d
②.
【生物——选修1:生物技术实践】(15分)
为了研究蛋白质的结构与功能,常需要从生物材料中分离纯化蛋白质。某同学用凝胶色谱法从某种生物材料中分离纯化得到了甲、乙、丙3种蛋白质,并对纯化得到的3种蛋白质进行SDS-聚丙烯酰胺凝胶电泳,结果如图所示(“+”“-”分别代表电泳槽的阳极和阴极)。已知甲的相对分子质量是乙的2倍,且甲、乙均由一条肽链组成。回答下列问题。
(1)图中甲、乙、丙在进行SDS聚丙烯酰胺凝胶电泳时,迁移的方向是_____(填“从上向下”或“从下向上”)。
(2)图中丙在凝胶电泳时出现2个条带,其原因是_____。
(3)凝胶色谱法可以根据蛋白质_____的差异来分离蛋白质。据图判断,甲、乙、丙3种蛋白质中最先从凝胶色谱柱中洗脱出来的蛋白质是_____,最后从凝胶色谱柱中洗脱出来的蛋白质是_____。
(4)假设甲、乙、丙为3种酶,为了减少保存过程中酶活性的损失,应在_____(答出1点即可)条件下保存。
正确答案
(1)从上向下
(2)丙由两条肽链组成
(3) ①. 相对分子质量 ②. 丙 ③. 乙
(4)低温
【生物——选修3:现代生物科技专题】(15分)
接种疫苗是预防传染病的一项重要措施,乙肝疫苗的使用可有效阻止乙肝病诗的传播,降低乙型肝炎发病率。乙肝病毒是一种DNA病毒。重组乙肝疫苗的主要成分是利用基因工程技术获得的乙肝病毒表面抗原(一种病毒蛋白)。回答下列问题。
(1)接种上述重组乙肝疫苗不会在人体中产生乙肝病毒,原因是_____。
(2)制备重组乙肝疫苗时,需要利用重组表达载体将乙肝病毒表面抗原基因(目的基因)导入酵母细胞中表达。重组表达载体中通常含有抗生素抗性基因,抗生素抗性基因的作用是_____。能识别载体中的启动子并驱动目的基因转录的酶是_____。
(3)目的基因导入酵母细胞后,若要检测目的基因是否插入染色体中,需要从酵母细胞中提取_____进行DNA分子杂交,DNA分子杂交时应使用的探针是_____。
(4)若要通过实验检测目的基因在酵母细胞中是否表达出目的蛋白,请简要写出实验思路。_____
正确答案
(1)重组乙肝疫苗成分为蛋白质,无法独立在宿主体内增殖
(2) ①. 筛选 ②. RNA聚合酶
(3) ①. 核染色体DNA ②. 被标记的目的基因的单链DNA片段
(4)①通过使用基因探针,利用分子杂交技术,检测目的基因是否转插入酵母细胞染色体
②通过使用基因探针,利用核酸分子杂交技术,检测目的基因是否转录形成mRNA
③通过使用相应抗体,利用抗原-抗体杂交技术,检测mRNA是否翻译形成蛋白质
如图,光滑水平桌面上有一轻质弹簧,其一端固定在墙上。用质量为m的小球压弹簧的另一端,使弹簧的弹性势能为

(1)小球离开桌面时的速度大小;
(2)小球第一次落地点距桌面上其飞出点的水平距离。
正确答案
(1)
如图,水平桌面上固定一光滑U型金属导轨,其平行部分的间距为






(1)金属棒P滑出导轨时的速度大小;
(2)金属棒P在导轨上运动过程中产生的热量;
(3)与P碰撞后,绝缘棒Q在导轨上运动的时间。
正确答案
(1)

[物理——选修3–3]
(1)在一汽缸中用活塞封闭着一定量的理想气体,发生下列缓慢变化过程,气体一定与外界有热量交换的过程是( )
A气体的体积不变,温度升高
B气体的体积减小,温度降低
C气体的体积减小,温度升高
D气体的体积增大,温度不变
E气体的体积增大,温度降低
(2)一高压舱内气体的压强为1.2个大气压,温度为17℃,密度为1.46kg/m3。
(i)升高气体温度并释放出舱内部分气体以保持压强不变,求气体温度升至27℃时舱内气体的密度;
(ii)保持温度27℃不变,再释放出舱内部分气体使舱内压强降至1.0个大气压,求舱内气体的密度。
正确答案
(1)ABD
(2)(i)1.41kg/m3;(ii)1.18kg/m3
[物理——选修3–4](15分)
(1) 等腰三角形△abc为一棱镜的横截面,ab = ac;一平行于bc边的细光束从ab边射入棱镜,在bc边反射后从ac边射出,出射光分成了不同颜色的两束,甲光的出射点在乙光的下方,如图所示。不考虑多次反射。下列说法正确的是( )
A甲光的波长比乙光的长
B甲光的频率比乙光的高
C在棱镜中的传播速度,甲光比乙光的大
D该棱镜对甲光的折射率大于对乙光的折射率
E在棱镜内bc边反射时的入射角,甲光比乙光的大
(2)分别沿x轴正向和负向传播的两列简谐横波P、Q的振动方向相同,振幅均为125px,波长均为8m,波速均为4m/s。t=0时刻,P波刚好传播到坐标原点,该处的质点将自平衡位置向下振动;Q波刚好传到x=10m处,该处的质点将自平衡位置向上振动。经过一段时间后,两列波相遇。
(1)在答题卡给出的坐标图上分别画出P、Q两列波在t=2.5s时刻的波形图(P波用虚线,Q波用实线);
(2)求出图示范围内的介质中,因两列波干涉而振动振幅最大和振幅最小的平衡位置。
正确答案
(1)











































































































