- 真题试卷
- 模拟试卷
- 预测试卷
《汉书》记载“姑句家矛端生火”,表明古人很早就发现了尖端放电现象.若带电长矛尖端附近某条电场线如图,则
正确答案
某同学将一充气皮球遗忘在操场上,找到时发现因太阳暴晒皮球温度升高,体积变大.在此过程中若皮球未漏气,则皮球内封闭气体( )
正确答案
1992年,江苏扬州出土的古代铜卡尺,由固定尺和活动尺组成,现代游标卡尺的构件与其非常相似,已成为常用的测量工具.用游标卡尺测量某物体的长度,示数如图所示,其读数为( )
正确答案
如图,内壁截面为半圆形的光滑凹槽固定在水平面上,左右边沿等高.该截面内,一根不可伸长的细绳穿过带有光滑孔的小球,一端固定于凹槽左边沿,另一端过右边沿并沿绳方向对其施加拉力F.小球半径远小于凹槽半径,所受重力大小为G.若小球始终位于内壁最低点,则F的最大值为( )
正确答案
某同学在傍晚用内嵌多个彩灯的塑料绳跳绳,照片录了彩灯在曝光时间内的运动轨迹,简图如图.彩灯的运动可视为匀速圆周运动,相机本次曝光时间是

正确答案
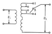
2024年底,世界装机容量最大的抽水蓄能电站——河北丰宁抽水蓄能电站全面投产发电.如图,若该电站通过理想变压器调节输出电压






正确答案
随着我国航天事业飞速发展,人们畅想研制一种核聚变能源星际飞行器.从某星球表面发射的星际飞行器在飞行过程中只考虑该星球引力,不考虑自转,该星球可视为质量分布均匀的球体,半径为



正确答案
如图,真空中固定在绝缘台上的两个相同的金属小球A和B,带有等量同种电荷,电荷量为q,两者间距远大于小球直径,两者之间的静电力大小为F.用一个电荷量为Q的同样的金属小球C先跟A接触,再跟B接触,移走C后,A和B之间的静电力大小仍为F,则
正确答案
如图,截面为等腰三角形的光滑斜面体固定在水平地面上,两个相同的小物块通过不可伸长的细绳跨过顶端的轻质定滑轮,静止在斜面体两侧,细绳与斜面平行.此外,两物块分别用相同的轻质弹簧与斜面体底端相连,且弹簧均处于原长.将左侧小物块沿斜面缓慢拉下一小段距离,然后松开.弹簧始终在弹性限度内,斜面倾角为
正确答案
如图,真空中两个足够大的平行金属板




正确答案
(8分)(1)某学习小组把热敏电阻置于带有温控的加热装置中,利用图1所示电路研究热敏电阻的温度特性.
①闭合开关S,观察到温度改变时电流表示数也随之改变.定量研究热敏电阻的阻值R随温度t变化的规律时,将欧姆表两表笔分别接到热敏电阻
②按照正确方法测出不同温度下热敏电阻的阻值.电阻



(2)某学习小组在倾斜的气垫导轨上验证机械能守恒定律,实验装置如图3所示,当地重力加速度为g.
①方案设计阶段,该小组同学对需要测量哪些物理量产生了不同意见.
甲同学:需测量滑块和遮光条的总质量、滑块通过两个光电门的速度、两个光电门间的竖直高度差.
乙同学:只需测量滑块通过两个光电门的速度、两个光电门间的竖直高度差.
丙同学:只需测量滑块通过两个光电门的速度、两个光电门间的距离.
你认为________(填“甲”“乙”或“丙”)同学的方案不可行.
②如图3,光电门中光源与光敏管相对,光源发出的光使光敏管感光.当滑块经过时,遮光条把光遮住,计时器记录遮光时间,可计算出滑块的速度.实验中使用的遮光条宽度



正确答案
(1)①断开 ②
(8分)自动洗衣机水位检测的精度会影响洗净比和能效等级.某款洗衣机水位检测结构如图1所示.洗衣桶内水位升高时,集气室内气体压强增大,铁芯进入电感线圈的长度增加,从而改变线圈的自感系数.洗衣机智能电路通过测定
某兴趣小组在恒温环境中对此装置进行实验研究.
(1)研究集气室内气体压强与体积的关系
①洗衣桶内水位H一定时,其内径D的大小________(填“会”或“不会”)影响集气室内气体压强的大小.
②测量集气室高度
正确答案
(1)①不会 ②H ③集气室内气体压强测量时未包含大气压(或实验中压强计算未考虑大气压)。
(2)乙






































