- 真题试卷
- 模拟试卷
- 预测试卷
山崖上有一个风动石,无风时地面对风动石的作用力是F1,当受到一个水平风力时,风动石依然静止,地面对风动石的作用力是F2,以下正确的是( )
正确答案
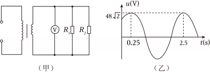
某理想变压器如图甲,原副线圈匝数比4:1,输入电压随时间的变化图像如图乙,R1的阻值为R2的2倍,则( )
正确答案
如图所示,空间中存在两根无限长直导线L1与L2,通有大小相等,方向相反的电流。导线周围存在M、O、N三点,M与O关于L1对称,O与N关于L2对称且OM=ON,初始时,M处的磁感应强度为B1,O点磁感应强度为B2,现保持L1中电流不变,仅将L2撤去,求N点的磁感应强度( )
正确答案
某种静电分析器简化图如图所示,在两条半圆形圆弧板组成的管道中加上径向电场。现将一电子a自A点垂直电场射出,恰好做圆周运动,运动轨迹为ABC,半径为r。另一电子b自A点垂直电场射出,轨迹为弧APQ,其中PBO共线,已知BP电势差为U,|CQ|=2|BP|,a粒子入射动能为Ek,则( )
正确答案
春晚上转手绢的机器人,手绢上有P、Q两点,圆心为O,
正确答案
核反应方程为





正确答案
空间中存在垂直纸面向里的匀强磁场B与水平向右的匀强电场E,一带电体在复合场中恰能沿着MN做匀速直线运动,MN与水平方向呈45°,NP水平向右。带电量为q,速度为v,质量为m,当粒子到N时,撤去磁场,一段时间后粒子经过P点,则( )
正确答案
传送带转动的速度大小恒为1m/s,顺时针转动,物块A,B中间有一根轻弹簧,A的质量为1kg,B的质量为2kg,A与传送带的动摩擦因数为0.5,B与传送带的动摩擦因数为0.25。t=0时,A速度为v0=2m/s,B的速度为零。在t=t0时,A与传送带第一次共速,此时弹簧弹性势能Ep=0.75J,传送带足够长,A可留下痕迹,则( )
正确答案
洗衣机水箱的导管内存在一竖直空气柱,根据此空气柱的长度可知洗衣机内的水量多少。当空气柱压强为p1时,空气柱长度为L1,水位下降后,空气柱温度不变,空气柱内压强为p2,则空气柱长度L2= ,该过程中内部气体对外界 。(填做正功,做负功,不做功)
正确答案

沙漠中的蝎子能感受来自地面震动的纵波和横波,某波源同时产生纵波与横波,已知纵波速度大于横波速度,频率相同,则纵波波长 横波波长。若波源震动后,蝎子感知到来自纵波与横波的振动间隔Δt,纵波速度v1,横波速度v2,则波源与蝎子的距离为 。
正确答案
大于;
两个点电荷Q1与Q2静立于竖直平面上,于P点放置一检验电荷恰好处于静止状态,PQ1与Q1Q2夹角为30°,PQ1⊥PQ2,则Q1与Q2电量之比为 ,在PQ1连线上是否存在其他点能让同一检验电荷维持平衡状态 (存在,不存在)。
正确答案

(1)为测糖水的折射率与浓度的关系,设计如下实验:某次射入激光,测得数据如图,则糖水的折射率为 。
(2)改变糖水浓度,记录数据如表
将30%的数据绘图,求得糖水浓度每增加10%,折射率的增加值为 (保留两位有效数字)。
正确答案
(1)
(2)0.020(答案不唯一,范围0.019~0.022)
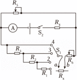
用等效替代法测待测电阻,R5为R6的滑动变阻器,最大阻值为100Ω,E=1.5V,电流表A量程30mA,R1=R2=R3=R4=100Ω,可轻转开关S1于1﹣4号,R6可读数。
(1)将实物图连接完整。
(2)某时刻电流表读数如图,电流为 mA。
(3)将开关S2闭合,S1指向1处,表笔ab短接,调节R5,让R6调至最大值,电流表读数为(2)中的值,为I0,现将Rx接入ab间,R6滑片不变,发现S1拨1、2处时,A的示数均小于I0,S1拨3处时,A的示数大于I0,则Rx的阻值位于 (0﹣100;100﹣200;200﹣300;300﹣400)之间。
(4)现将S1拨于 处,R5调为55Ω时,A为基准值,则Rx= 。
(5)下列哪些问题会造成本次实验误差 。
A.A的内阻被忽略
B.电源内阻被忽略
C.R6读数不准确
D.电流表读数比I0偏大
正确答案
(2)16.0
(3)100-20a
(4)2;145Ω
(5)CD
某运动员训练为直线运动,其v﹣t图如图所示,各阶段图像均为直线。
(1)0﹣2s内的平均速度;
(2)44.2﹣46.2s内的加速度;
(3)44.2﹣46.2s内的位移.
正确答案
(1)2.4m/s
(2)
(3)x=4.2m
如图甲,水平地面上有A、B两个物块,两物块质量均为0.2kg,A与地面动摩擦因数为μ=0.25,B与地面无摩擦,两物块用弹簧置于外力F的作用下向右前进,F与位移x的图如图乙所示,P为圆弧最低点,M为最高点,水平地面长度大于4m.
(1)求0﹣1m,F做的功;
(2)x=1m时,A与B之间的弹力;
(3)要保证B能到达M点,圆弧半径满足的条件.
正确答案
(1)1.5J
(2)0.5N
(3)
光滑斜面倾角为
(1)求线框释放点cd边与Ⅰ区域上边缘的距离;
(2)求cd边进入Ⅰ区域时cd边两端的电势差;
(3)求线框进入Ⅱ区域到完全离开过程中克服安培力做功的平均功率。
正确答案
(1)
(2)
(3) 若






































