- 真题试卷
- 模拟试卷
- 预测试卷
1.核废料具有很强的放射性,需要妥善处理。下列说法正确的是
正确答案
3.“复兴号”动车组用多节车厢提供动力,从而达到提速的目的。总质量为m的动车组在平直的轨道上行驶。该动车组有四节动力车厢,每节车厢发动机的额定功率均为P,若动车组所受的阻力与其速率成正比(Fm=kv,k为常量),动车组能达到的最大速度为
正确答案
5. 质量为M的凹槽静止在水平地面上,内壁为半圆柱面,截面如图所示,A为半圆的最低点,B为半圆水平直径的端点。凹槽恰好与竖直墙面接触,内有一质量为m的小滑块,用推力F推动小滑块由A点向B点缓慢移动,力F的方向始终沿圆弧的切线方向,在此过程中所有摩擦均可忽略,下列说法正确的是
正确答案
4.如图,在(a,0)位置放置电荷量为q的正点电荷,在(0,a)位置放置电荷量为q的负点电荷,在距p(a,a)为
正确答案
6. 如图,理想变压器原、副线圈匝数比为


正确答案
2.物体的运动状态可用位置x和动量p描述,称为相,对应p-x图像中的一个点。物体运动状态的变化可用p-x图像中的一条曲线来描述,称为相轨迹。假如一质点沿x轴正方向做初速度为零的匀加速直线运动,则对应的相轨迹可能是
正确答案
8.如图(a),质量分别为mA、mB的A、B两物体用轻弹簧连接构成一个系统,外力F作用在A上,系统静止在光滑水平面上(B靠墙面),此时弹簧形变量为x.撤去外力并开始计时,A、B 两物体运动的a-t图像如图(b)所示,S1表示0到t1时间内A的a-t图线与坐标轴所围面积大小,S2、S3分别表示t1到t2时间内A、B的a-t图线与坐标轴所围面积大小。A在t1时刻的速度为V0。下列说法正确的是
正确答案
7.2021年4月29日,中国空间站天和核心舱发射升空,准确进入预定轨道。根据任务安排,后续将发射问天实验舱和梦天实验舱,计划2022年完成空间站在轨建造。核心舱绕地球飞行的轨道可视为圆轨道,轨道离地面的高度约为地球半径的
正确答案
9. 如图,圆心为O的圆处于匀强电场中,电场方向与圆平面平行,ab和cd为该圆直径,将电荷量为q(q>0)的粒子从a点移动到b点,电场力做功为2W(W>0);若将该粒子从c点移动到d点,电场力做功为W。下列说法正确的是
正确答案
10.两个完全相同的正方形匀质金属框,边长为L,通过长为L的绝缘轻质杆相连,构成如图所示的合体。距离组合体下底边H处有一方向水平、垂直纸面向里的匀强磁场。磁场区域上下边界水平,高度为L,左右宽度足够大。把该组合体在垂直磁场的平面内以初速度v0水平无旋转抛出,设置合适的磁感应强度大小B使其匀速通过磁场,不计空气阻力。下列说法正确的是
正确答案
11.(6分)
某实验小组利用图(a)所示装置探究加速度与物体所受合外力的关系,主要实验
步骤如下:
(1)用游标卡尺测量垫块厚度h,示数如图(b)所示,h=______cm;
(2)接通气泵,将滑块轻放在气垫导轨上,调节导轨至水平;
(3)在右支点下放一垫块,改变气垫导轨的倾斜角度;
(4)在气垫导轨合适位置释放滑块,记录垫块个数n和滑块对应的加速度a;
(5)在右支点下增加垫块个数(垫块完全相同),重复步骤(4),记录数据如下表;
根据表中数据在图(c)上描点,绘制图线。
如果表中缺少的第4组数据是正确的,其应该是______m/
正确答案
1. 02 0.348~0.350
12.(9分)
某实验小组需测定电池的电动势和内阻,器材有:一节待测电池、一个单刀双掷开关、一个定值电阻(阻值为


(1)将器材如图(a)连接:
(2)开关闭合前,金属夹应夹在电阻丝的___端(填“a”或“b”);
(3)改变金属夹的位置,闭合开关,记录每次接入电路的电阻丝对应的圆心角
(4)整理数据并在坐标纸上描点绘图,所得图像如图(b)所示,图线斜率为k,与纵轴截距为d,设单角度对应电阻丝的阻值为



(5)为进一步确定结果,还需要测量单位角度对应电阻丝的阻值
(6)利用测出的
正确答案
b 
14.(15分)
如图,竖直平面内一足够长的光滑倾斜轨道与一长为L的水平轨道通过一小段光滑圆弧平滑连接,水平轨道右下方有一段弧形轨道PQ.质量为m的小物块A与水平轨道间的动摩擦因数为μ.以水平轨道末端0点为坐标原点建立平面直角坐标系xOy,x轴的正方向水平向右,y轴的正方向竖直向下,弧形轨道P端坐标为(2μL,μL),Q端在y轴上。重力加速度为g.
(1)若A从倾斜轨道上距x轴高度为2μL的位置由静止开始下滑,求A经过O点时的速度大小;
(2)若A从倾斜轨道上不同位置由静止开始下滑,经过O点落在弧形轨道PQ上的动能均相同,求PQ的曲线方程;
(3)将质量为λm(λ为常数且λ≥5)的小物块B置于0点,A沿倾斜轨道由静止开始下滑,与B发生弹性碰撞(碰撞时间极短),要使A和B均能落在弧形轨道上,且A落在B落点的右侧,求A下滑的初始位置距x轴高度的取值范围。
正确答案
(二)选考题:共13分。请考生从两道题中任选一题作答。如果多做,则按第一题计分。
15.[物理-选修3-3](13分)
(1)(5分)如图,两端开口、下端连通的导热汽缸,用两个轻质绝热活塞(截面积分别为S1和S2)封闭一定质量的理想气体,活塞与汽缸壁间无摩擦。在左端活塞上缓慢加细沙,活塞从A下降h高度到B位置时,活塞上细沙的总质量为m,在此过程中,用外力F作用在右端活塞上,使活塞位置始终不变,整个过程环境温度和大气压强(Po)保持不变,系统始终处于平衡状态,重力加速度为g.下列说法正确的是_____。(填正确答案标号。选对1个得2分,选对2个得4分,选对3个得5分。每选错1个扣3分,最低得分为0分)
A.整个过程,外力F做功大于0,小于mgh
B.整个过程,理想气体的分子平均动能保持不变
C.整个过程,理想气体的内能增大
D.整个过程,理想气体向外界释放的热量小于F(P0S1h+mgh)
E.左端活塞到达B位置时,外力F等于
(2)(8分)小赞同学设计了一个用电子天平测量环境温度的实验装置如图所示。导热汽缸开口向上并固在桌面上用质量m,=600g、截面积S=20cm2的活塞封闭一定质量的理想气体,活塞与汽缸壁间无摩擦。一轻质直杆中心置于固定支点A上,左端用不可伸长的细绳竖直悬挂活塞,右端用相同细绳A细绳同细绳竖直悬挂一个质量m2=1200g的铁块,并将铁块放置到电子天平上。当电子天平示数为600.0g时,测得环境温度T1=300K。设外界大气压强P0=1.0x105Pa,重力加速度g=10m/s2。
(i)当电子天平示数为400.0g时,环境温度T2为多少?
(ii)该装置可测量的最高环境温度Tmax为多少?
16.【物理一选修3-4](13分)
(1)(5分)均匀介质中,波源位于O点的简谐横波在XOY水平面内传播,波面为圆,t=0时刻,波面分布如图(a)所示,其中实线表示波峰,虚线表示相邻的波谷.A处质点的振动图像如图(b)所示,z轴正方向竖直向上。下列说法正确的是_______.(填正确答案标号。选对1个得2分,选对2个得4分,选对3个得5分。每选错1个扣3分,最低得分为0分)
A.该波从A点传播到B点,所需时间为4s
B.t=6s时,B处质点位于波峰
C.t=8s时,C处质点振动速度方向竖直向上
D.t=10s时,D处质点所受回复力方向竖直向上
E.E处质点起振后,12s内经过的路程为12cm
(2)(8分)我国古代著作《墨经》中记载了小孔成倒像的实验,认识到光沿直线传播.身高1.6m的人站在水平地面上,其正前方0.6m处的竖直木板墙上有一个圆柱形孔洞,直径为1.0cm、深度为1.4cm,孔洞距水平地面的高度是人身高的一半。此时,由于孔洞深度过大,使得成像不完整,如图所示。现在孔洞中填充厚度等于洞深的某种均匀透明介质,不考虑光在透明介质中的反射。
(Ⅰ)若该人通过小孔能成完整的像,透明介质的折射率最小为多少?
(Ⅱ)若让掠射进入孔洞的光能成功出射,透明介质的折射率最小为多少?
正确答案
15.
(1)BDE
(2)电子天平示数为600g时,气体

示数为400g时,
由
16
(1)ACE
(2)
(i)当孔在人身高一半时,



∴
(ii)
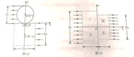
13. (13分)
带电粒子流的磁聚焦和磁控束是薄膜材料制备的关键技术之一。带电粒子流(每个粒子的质量为m、电荷量为+q)以初速度v垂直进入磁场,不计重力及带电粒子之间的相互作用。对处在xOy平面内的粒子,求解以下问题。
(1)如图(a),宽度为2

的圆形匀强磁场中,若带电粒子流经过磁场后都汇聚到坐标原点O,求该磁场磁感应强度
(2)如图(a),虚线框为边长等于2


(3)如图(b),虚线框和I 和II均为边长等于



正确答案
(1)
.
∴
(2)
.
∴
方向垂直纸面向里,面积S=
(3)
Ⅱ中:SⅡ
Ⅳ中:SⅣ
由图:
I中:
.
∴
III中:
.
∴




































































